Содержание
Схема монтажа инсталляции OLI
Дата публикации: 26.02.2021 16:25
ВАЖНО! Монтаж любой инсталляции OLI должен осуществляться специалистами, обращайтесь в сервисные центры производителя или в компании, специализирующиеся на установки подобного оборудования.
Система инсталляции OLI позволяет скрыто установить сантехнические приборы, а подводящие трубы и сливной бачок спрятать в стене.
Основным элементом инсталляции OLI является мощная стальная рама, которая выдерживает огромные нагрузки, может устанавливаться в любом месте ванной/туалетной комнаты и в любом типе стен.
Необходимые для монтажа инструменты:
Комплектация инсталляции OLI:
- Стальная рама с регулируемыми крепёжными стойками
- Пластмассовый смывной бачок в сборе с наполнительным, спускным и запорным клапаном, гибкой подводкой, патрубком для слива и изоляцией
- Комплект креплений к стене
- Фановая труба для присоединения к канализации
- Комплект креплений к полу
- Заглушки
- Комплект переходных патрубков (с инструкцией по монтажу)
- Комплект крепления подвесного унитаза
Монтаж инсталляции OLI к капитальной стене:
Отмерить расстояния и просверлить отверстия для крепления рамы к стене и полу
Зафиксировать крепления и вставить в раму стержни до щелчка
Разблокировать фиксатор стержней в креплениях, вставить раму со стержнями в крепления, обрезать лишнюю длину стержней
Открутить фиксирующие болты и освободить стойки, отрегулировать высоту рамы (см.
рекомендации производителя), прикрутить стойки к полу
По уровню проверить горизонталь и зафиксировать стойки
При помощи регулировочных стержней установить систему инсталляции в вертикальном положении и заблокировать фиксаторами стержни
Монтаж инсталляции OLI внутри легких стен:
Отметить на профиле стены рекомендованную отметку в 1 метр от чистового пола
Установить раму в конструкцию, чтобы совпали отметки в 1 метр на конструкции и раме, освободив крепление стоек. По уровню проверить горизонталь и зафиксировать стойки
Зафиксировать раму к полу
Прикрепить раму к профилю
Подготовка инсталляции OLI к работе:
После установки рамы необходимо вставить крепления подвесного унитаза, предварительно определив расстояние от 180 до 230 мм исходя их модели унитаза
Регулировку фановой трубы можно осуществить от 130 до 170 мм нажав фиксатор и перемещая держатель
С ревизионного отверстия необходимо снять защитную пленку
С отверстия в бачке необходимо снять заглушку и установить запорный клапан, находящийся в монтажной коробке
Далее необходимо пробно запустить запорный клапан, для этого нужно закрыть клапан, повернув его по часовой стрелке до упора и подключить инсталляцию к подводу воды, чтобы избежать засора, сливаем воду, открыв клапан, повторно закрываем запорный клапан и прикручиваем к нему подводку
Установить на место защитную планку и закрепить монтажную коробку в ревизионном отверстии
Перейти в раздел инсталляции для подвесной сантехники OLI >>>
инсталляция ATOM 410, кнопка белая, унитаз с сиденьем микролифт, быстросъем
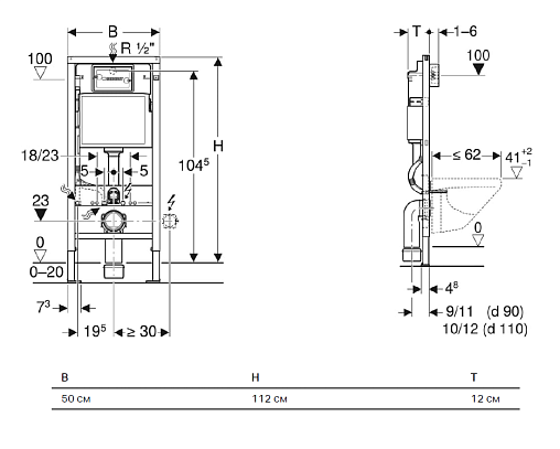
Инсталляция АТОМ 410
Узкая рама шириной 410 мм.
Регулировка по длине: 1115-1385 мм.
Металлический каркас, окрашенный антикоррозийной эмалью.
Расчетная нагрузка 400кг.
Объём резервуара воды 10 л с тепло- и шумоизоляцией.
Подвод воды внутрь резервуара (G1/2 наружная).
Объем смыва 3/6 литра с возможностью регулировки.
Управление механическое, две кнопки.
Межосевое расстояние под шпильки для подвеса унитаза 18 и 23 см.
Полный комплект для установки включает в себя
шумоизоляционную прокладку и лекало для монтажных отверстий.
Кнопка АТОМ белая
Унитаз GAMMA
каскадный смыв, открытый ободок
антибактериальное покрытие
экономия воды
Сиденье дюропласт Gamma
микролифт, быстросъем
| Комплекты | |
| Модель унитаза | GAMMA |
| Подвод воды | сверху бачка |
| Дизайн кнопки | Atom |
| Направление выпуска | вертикальное ( в пол) |
| Цвет кнопки | белая |
| Механизм слива | механическая кнопка |
| Инсталляция | ATOM 410 |
| Метод установки сливного бачка | в стену (скрытый) |
| Длина инсталяции, см | 111,5-138,5 |
| Количество коробок | 2 |
| Ширина инсталляции, см | 41 |
| Материал для упаковки | ГОФРОКОРОБ |
| Глубина изделия, см | 52,5 |
| Длина упаковки, м | 0. 55 |
| Цвет керамики | белый |
| Ширина упаковки, м | 0.55 |
| Высота чаши, см | 34 |
| Глубина упаковки, м | 1.2 |
| Функция биде | нет |
| Объем, м3 (товар в упаковке) | 0.4 |
| Система антивсплеск | нет |
| Масса, кг (вместе с упаковкой) | 38 |
| Быстросъемное сиденье | есть |
| Страна производства | Россия |
| Модель сиденья | Gamma |
| Гарантия | Гарантия 10 лет |
| Вес (без упаковки), кг | 36 |
| Полный комплект установки | да |
| Материал комплекта | рама — сталь, унитаз — фарфор, сиденье — дюропласт |
| Дополнительно | Открытый ободок, антибактериальное покрытие, экономия воды, каскадная система смыва |
Обзор Atom 410 и панелей смыва Atom
Обзор Albit
Установочные чертежи — Проектирование зданий
Мы используем файлы cookie, чтобы обеспечить вам максимальное удобство на нашем веб-сайте.
Вы можете узнать о наших файлах cookie и о том, как отключить файлы cookie, в нашей Политике конфиденциальности. Если вы продолжите использовать этот веб-сайт без отключения файлов cookie, мы будем считать, что вы довольны их получением. Закрывать.
Редактировать эту статью
Последняя редакция 04 июня 2021
См.
вся история
Монтажные чертежи разрабатываются на основе согласованных детальных чертежей и представляют информацию, необходимую специалистам для выполнения части работ. Это может быть особенно важно для сложных установок, таких как технические помещения, центры обработки данных, системы вентиляции, полы с подогревом и т. д.
Они могут быть подготовлены группой консультантов или могут быть подготовлены подрядчиками, субподрядчиками или поставщиками и представлены на утверждение.
Они могут включать планы, разрезы и фасады, но все чаще используется информационное моделирование зданий (BIM) для создания подробных трехмерных представлений зданий и их компонентов, которые могут включать информацию об установке.
Монтажные чертежи могут включать информацию о:
- Точное позиционирование.
- Опоры и крепления.
- Информация с чертежей производителя.
- Места для установки.
- Строители работают в связи, например; вырезание и заделка отверстий, штробление блоков и кирпичной кладки для трубопроводов или труб, подъем и замена полов, возведение цоколей и т.д.
- Требования к установкам или оборудованию.
- Требования к служебным подключениям.
- Необходимость оставлять место для доступа для эксплуатации и обслуживания.
- Другие требования к доступу для обслуживания, такие как панели доступа, настил, платформы, лестницы и поручни.
Важно, чтобы представленная информация была тщательно согласована, чтобы избежать конфликтов.
Монтажные чертежи могут включать информацию о спецификациях, или она может быть предоставлена в отдельной спецификации, но информация не должна дублироваться, так как это может стать противоречивым и вызвать путаницу.
Обратите внимание
Design Framework for Building Services 5th Edition (BG 6/2018), написанная Дэвидом Черчером, Джоном Сэндсом и Мартином Ронсере и опубликованная BSRIA в июне 2018 года, предполагает, что установочные чертежи :
Чертежи, основанные на чертежах технического проекта или согласованных рабочих чертежах с основной целью определения той информации, которая необходима торговцам на месте для установки работ. Основные характеристики установочных чертежей должен соответствовать согласованным рабочим чертежам, плюс:
|
- Исполнительные чертежи и отчетные чертежи.
- Сборочный чертеж.
- Концептуальный чертеж.
- Конструктивные чертежи.
- Детальный чертеж.
- Фасады.
- Инженерный чертеж.
- Чертеж общего вида.
- Проекции.
- Чертеж в масштабе.
- Чертеж в разрезе.
- Чертеж.
- Технический чертеж.
- Виды рисунка.
- Рабочий чертеж.
- Чертежи компонентов
- Доля
- Добавить комментарий
- Отправьте нам отзыв
монтажных чертежей Определение | Law Insider
означает окончательные архитектурные планы и спецификации, а также инженерные планы и спецификации для улучшений недвижимого имущества, которые должны быть построены Арендатором в помещениях с достаточной детализацией, чтобы быть представленными на утверждение правительства и разрешения на строительство и служить детальной строительные чертежи и спецификации для подрядчика и должны включать, среди прочего, все перегородки, двери, распределительные устройства HVAC (системы отопления, вентиляции и кондиционирования воздуха), потолочные системы, светильники, сантехнику, электрические установки и розетки, телефонные установки и розеток, любых других установок, требуемых Арендатором, противопожарных систем и систем жизнеобеспечения, отделки стен и напольных покрытий, независимо от того, будут ли они установлены заново или требуют изменений по сравнению с состоянием «как есть» на дату заключения Договора аренды;
означает только те чертежи, которые имеют конкретное название и перечислены в Спецификациях или в любом Дополнении, или любые чертежи, предоставленные Уполномоченным, относящиеся к ним или дополняющие их.
означает строительство и монтаж Системы, а также ее Пуск, испытания и приемку (но не эксплуатацию и техническое обслуживание); все выполняется производителем электроэнергии или для него в помещении.
означает окончательные рабочие чертежи, утвержденные Арендодателем, с внесенными время от времени любыми утвержденными изменениями к ним, а «Работа» означает все улучшения, которые должны быть построены в соответствии с рабочими чертежами и как указано на них, вместе с любой работой. требуемые государственными органами, должны быть выполнены в других частях Здания в результате улучшений, указанных в Рабочих чертежах. Утверждение Арендодателем рабочих чертежей не является заверением или гарантией Арендодателя в том, что такие чертежи подходят для любого использования или соответствуют какому-либо Закону, а просто является согласием Арендодателя на это. Арендатор должен, по требованию Арендодателя, подписать рабочие чертежи, чтобы подтвердить их рассмотрение и одобрение.
После утверждения Рабочих чертежей Арендатор должен обеспечить выполнение Работ в соответствии с Рабочими чертежами.
, используемый в этом пункте, означает чертежи, представленные Подрядчиком или субподрядчиком на любом уровне, чтобы показать строительство конкретной конструкции или работы, фактически завершенные по контракту. «Исполнительные чертежи» должны быть синонимами «Записи
» означает чертежи, представленные в АГЖС Подрядчиком, субподрядчиком или любым субподрядчиком более низкого уровня, подробно показывающие (1) предлагаемое изготовление и сборку конструктивных элементов и (2) установка (т. е. форма, посадка и детали крепления) материалов оборудования. Он включает чертежи, схемы, планы, схемы, описательную литературу, иллюстрации, графики, данные о производительности и испытаниях, а также аналогичные материалы, предоставленные Подрядчиком для подробного объяснения конкретных частей работ, требуемых контрактом. АГЖС может дублировать, использовать и раскрывать любым способом и для любых целей рабочие чертежи, предоставленные по настоящему договору.
означает установку, строительство которой началось после даты вступления в силу любого регламента, применимого к ней.
означает, в зависимости от контекста, что
означает любую техническую установку, на которой все развернутое ПО лицензировано для использования с таким TPD и работает на нем;
означает любую Техническую установку, на которой не развернуто ни одно ПО или только часть ПО не имеет лицензии на использование с таким TPD, и, следовательно, TPD не развернут или не работает.
означает любую техническую установку, на которой все развернутое ПО лицензировано для использования с таким TPD, но не работает на нем; и
означает все улучшения Проекта постоянного и постоянного характера, как показано на Строительных чертежах TI, как определено в Разделе 2(c) ниже. Помимо Работы Арендодателя (как определено в Разделе 3(a) ниже, Арендодатель не несет никаких обязательств в отношении отделки Помещений для использования и проживания Арендатором.
означает любые и все чертежи, диаграммы, планы, пояснения, иллюстрации, чертежи изготовителя или другие письменные или графические материалы, иллюстрирующие любую часть строительных работ.
означает строительство Улучшений Арендатора вместе с любыми сопутствующими работами (включая снос), которые необходимы для строительства Улучшений Арендатора.
означает стационарную техническую установку, на которой осуществляется один или несколько видов деятельности, перечисленных в Приложении I, и любая другая непосредственно связанная деятельность, имеющая техническую связь с деятельностью, осуществляемой на этом объекте, и которая может повлиять на выбросы и загрязнение. ;
означает сайт, на котором изначально установлен Продукт.
в настоящем документе означает, в той мере, в какой это требуется в связи с характером Работ, подробные планы (включая любые так называемые «планы ценообразования»), включая план этажа с полными размерами и нарисованный в масштабе, показывающий: (i) демонтажные стены , внутренние стены и другие перегородки, включая тип стены или перегородки и их высоту, а также любой снос или перемещение стен, а также сведения о занятости и плотности пространства, (ii) двери и другие проемы в таких стенах или перегородках, включая тип двери и оборудование, (iii) электрические и компьютерные розетки, цепи и их предполагаемое использование, (iv) любые помещения специального назначения, любые раковины или другие сантехнические устройства, тяжелые предметы и любые другие специальные электрические, HVAC или другие средства или требования, включая все специальные нагрузки и связанные с ними расчеты, (v) любые соображения по планированию пространства в соответствии с противопожарными или другими нормами или другими государственными или юридическими требованиями, (vi) выбор отделки и (vii) любые другие детали или функции, запрошенные Архитектором, Инженером или Арендодателем, или в противном случае требуется, чтобы План помещения служил основанием для утверждения Арендодателем Работ, а Арендатор заключал контракт и получал разрешения на выполнение Работ, или чтобы План помещения служил основой для подготовки Строительных чертежей.
означает все имущество любого вида, оплаченное Арендодателем, все переделки, все приспособления и все перегородки, скобяные изделия, встроенное оборудование, встроенные корпуса и шкафы и другие подобные дополнения, оборудование, имущество и улучшения, встроенные в Помещения, чтобы они стали неотъемлемой частью Помещений, включая, помимо прочего, вытяжные шкафы, проходящие через крышу или приточное пространство, встроенные холодильные камеры, встроенные теплые помещения, проходные холодильные камеры, проходные теплые помещения, системы деионизированной воды, оборудование для мытья стекол, автоклавы, чиллеры, встроенная сантехника, электрическое и механическое оборудование и системы, а также любые генераторы и переключатели мощности.
в максимальной сумме 200,00 долларов США за арендуемый квадратный фут в Помещениях, которая включена в Базовую арендную плату, указанную в Договоре аренды; и
означает дату, указанную в Техническом задании, к которой Подрядчик должен подготовить (сертифицировать) заказанное Оборудование для использования государством.
означает оборудование, отличное от Оборудования в помещениях Клиента, используемое Перевозчиком для предоставления Услуг связи, и включает программное обеспечение, встроенное в такое оборудование, включая обновления.
средства Переделки, состоящие из кухонь, исполнительных санузлов, фальшполов для компьютеров, фальшполов в серверных, хранилищ, навесных стеллажных систем в библиотеках, картотечных систем, внутренних лестниц, кухонных лифтов, пневматических труб, вертикальных и горизонтальных транспортных систем, любые переделки которые носят структурный характер или проникают через любую плиту перекрытия, и другие изменения аналогичного характера, которые не являются обычными для общего офисного использования в неучрежденческих офисных зданиях в центре Манхэттена. Арендодатель должен уведомить Арендатора о том, является ли Изменение Специальным изменением, в момент, когда Арендодатель дает согласие на такое Специальное изменение, при условии, что Арендатор включает в свой запрос о таком согласии заявление (заглавными буквами, двенадцать (12) точечный шрифт, полужирный шрифт) со специальной ссылкой на этот подраздел и уведомлением Арендодателя о том, что Арендодатель обязан сделать такое обозначение в рамках любого такого согласия, данного Арендодателем по настоящему Соглашению.
Арендатор обязуется за счет Арендатора удалить любое Специальное изменение, указанное Арендодателем, устранить любой ущерб, нанесенный Помещению или Зданию в результате такого удаления, закрыть все электрические, водопроводные линии и линии удаления отходов в соответствии с надлежащей строительной практикой и восстановить Помещения. до состояния, существовавшего до внесения такого Специального изменения, за исключением разумного износа и повреждения в результате несчастного случая. Все такие работы должны выполняться в соответствии с планами и спецификациями, предварительно утвержденными Арендодателем, в таком утверждении не может быть необоснованно отказано или отложено, а также со всеми применимыми условиями, положениями и условиями настоящего Договора аренды. Если страховые взносы Арендодателя увеличиваются в результате каких-либо Специальных изменений, Арендатор должен выплачивать каждое такое увеличение каждый год в качестве Дополнительной арендной платы в течение тридцати (30) дней после получения хххх от Арендодателя.
означает, что касается любого Сайта, все оборудование, установленное в настоящее время или в будущем в (i) Коллокационном пространстве T-Mobile в отношении T-Mobile Collocator и (ii) любой другой части Сайта в отношении Субарендатора Tower. , для предоставления текущих или будущих услуг связи, включая услуги передачи голоса, видео, Интернета и других данных. Такое оборудование должно включать переключатели, антенны, в том числе микроволновые антенны, панели, кабелепроводы, гибкие линии передачи, кабели, радиоприемники, усилители, фильтры, соединительное передающее оборудование и все связанное программное и аппаратное обеспечение, а также любые модификации, замены и обновления такого оборудования. .
означает электрическую установку, как она определена в Правилах;
означает любые Услуги/Результаты, выходящие за рамки Контракта и не указанные конкретно в каком-либо Техническом задании, добавление которых приведет к необходимости предоставления Подрядчику дополнительного вознаграждения.
55