Содержание
Размер котельной в частном доме. Требования к помещению для твердотопливного котла
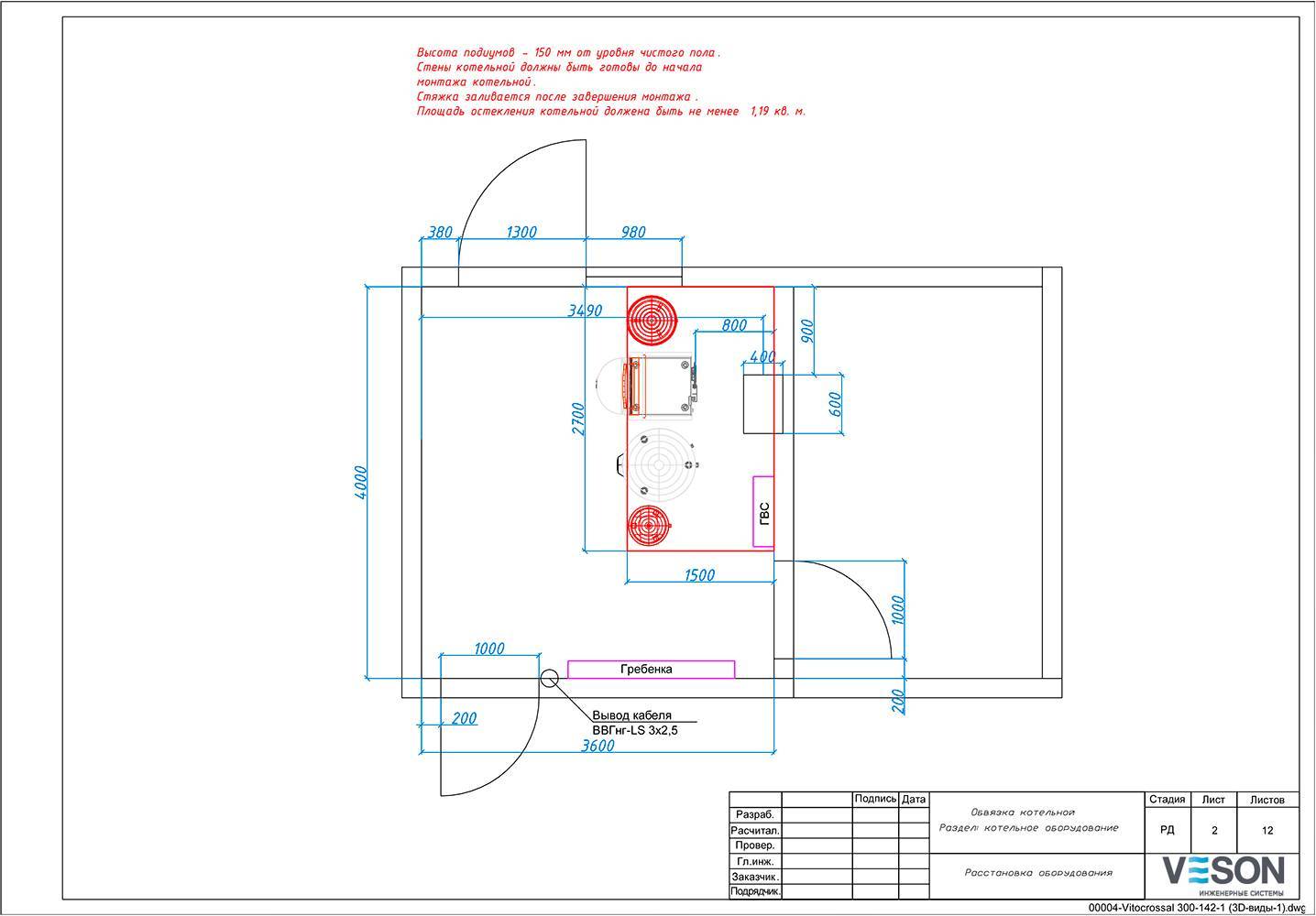
Чтобы система отопления была эффективной и могла безопасно использоваться, на этапе ее проектирования и монтажа важно строго соблюдать требования к котельным на твердом топливе. Прежде всего котел должен устанавливаться в отдельном помещении, к которому также предъявляются особые требования. Именно о них и пойдет речь в этой статье.
Основные требования к помещению котельной заключаются в следующем:
- Минимальная площадь котельной равняется 8 кв. м. Этот показатель зависит от мощности котла. На каждый киловатт мощности размер котельной для частного дома увеличивают на 0,2 кв. м.
- При установке котла необходимо обращать внимание на удобство его дальнейшего обслуживания, проведения профилактических или ремонтных работ.
- Если используется твердотопливный котел, его размещают на прочном основании, которое возвышается над полом на 10 см и более.

- Если котельную размещают в пристройке, в помещении можно сделать два разных входа. Важно, чтобы дверь была термостойкой.
- Требования к котельной в частном доме предполагают укладку металлического листа под топочным отделом. Стены отделывают асбокартонными листами. Также все используемые при обустройстве котельной в частном доме отделочные материалы должны относиться к группе негорючих.
- Вентиляция в помещении котельной должна быть комплексной. Для естественного воздухообмена используют дверь и окна.
- При организации освещения преимущество стоит отдавать естественному. В котельной должно быть окно. Дополнительно устанавливают электрические светильники. Также рекомендуется организовать аварийное освещение.
- При организации дымоотвода учитывают те же правила, что и для печи. Высота дымовой трубы должна составлять не менее 5 м. Допустимое число поворотов или изгибов равняется трем.
Размер выходного отверстия зависит от технических характеристик оборудования, но не меньше размера выходного патрубка. - Стены котельной и жилого здания не должны быть смежными.
- Высота потолка в котельной не может быть менее 2,5 м.
Требования к освещению
Нормы для котельной в частном доме предусматривают установку в помещении качественного освещения. Где бы не размещалось помещение котельной — подвале, цокольном этаже или отдельно стоящем здании, здесь должно быть окно. Его размеры рассчитываются, исходя из площади постройки. На 1 куб. м пространства должно быть 0,03 квадратных метра остекления.
Днем должно быть достаточно естественного света. В темное время суток необходимо использовать светильники. Хорошим вариантом для его обустройства являются LED-светильники. Они не только экономичны в плане энергосбережения, но еще и отличаются высоким уровнем пожаробезопасности, экологичностью и удобством в применении.
В котельной обязательно должно присутствовать аварийное освещение. Его питание осуществляется от независимых линий. Светильники в таком случае должны обязательно размещаться в таких местах:
- комната, в которой находятся контрольно-измерительные приборы, щиты и пульт управления системой отопления;
- рядом с водоподготовительной установкой;
- между котлоагрегатами;
- рядом с вентилятором или дымоходом;
- возле золоулавливателя и насоса;
- возле деаэрационной системы.
Установка электроприборов, системы освещения и заземляющих устройств проводится в соответствии с правилами для электроустановок.
Требования к вентиляции
Требования к котельной в частном доме предполагают использование естественного или искусственного воздухообмена в специально оборудованном помещении. Иногда они могут совмещаться.
К преимуществам естественного типа вентиляции относят отсутствие затрат на нее. Ее работа основана на разнице давления и температуры воздуха внутри и снаружи котельной.
Вентиляция будет эффективной, если на каждый киловатт мощности оборудования будет приходиться не менее 30 кв. см приточного отверстия. Его размещают на высоте 25-30 см выше уровня пола. Сюда вставляется труба подходящего диаметра, которая снаружи защищена сеткой, а внутри имеет обратный клапан.
Недостатком такой системы называют зависимость от погоды на улице.
Частичный воздухообмен также осуществляется через щели, которые могут быть в дверных или оконных проемах, между плитами перекрытия.
Для организации искусственной вентиляции используют специальную климатическую технику, способную притягивать свежий воздух снаружи здания, вытесняя на улицу отработанный и обеспечивать циркуляцию внутри помещения.
Вентиляционные каналы должны размещаться горизонтально. Расчет протяженности трассы производится индивидуально для каждой котельной.
При обустройстве вентиляции следует учитывать важные моменты:
- Важно наличие отдельного воздуховода.
- Места, в которых вентиляционные каналы стыкуются друг с другом, должны быть герметично обработаны термоустойчивыми средствами.
- К одному дымоходу может быть подключено не более двух котлов.
- В потолке необходимо соорудить воздушный канал.
При обустройстве помещения, в котором будет располагаться оборудование для отопления, необходимо учитывать не только размер котельной в частном доме, но и множество других параметров.
Поделиться в соцсетях
Газовая котельная в частном доме, коттедже: объем котельной, нормы размещения
Содержание:
На что ориентироваться
Перечень требований
Если котельная находится в отдельном помещении
Пристроенные бойлерные в частном доме
Если газовый котел монтируется на кухне
Отдельная постройка для котельной
Требования к дверям
Требования к вентиляционной системе
Твердотопливные и жидкотопливные агрегаты
Видео
Организовывая автономную систему отопления, необходимо выделить индивидуальную площадь под установку отопительного оборудования.
Газовая котельная в частном доме должна соответствовать определенным нормам безопасности, несоблюдение которых чревато серьезными последствиями.
На что ориентироваться
Требования к частным котельным прописаны в специальном документе от 01.07.2003 (речь идет о СНиПе 42-01-2002). Этот документ должен служить ориентиром во время обустройства топочной. Знание нормативов дает определенные преимущества, хотя процедура разработки проекта обычно реализуется специалистами. Это позволяет заранее просчитывать вероятность использования различных видов оборудования, а также приблизительный объем монтажных работ.
Как результат, еще на этапе строительства жилища намеченное под бойлерную помещение можно подогнать под требования СНиП. Если возникают затруднения или спорные моменты, желательно их решать с проектным отделом газоснабжающей организации. Для каждого конкретного здания характерно наличие своих нюансов: они решаются только в привязке к плану дома.
Перечень требований
Определяясь с местом отопительного оборудования, необходимо ориентироваться на его мощность:
- До 60 кВт. Такой прибор можно установить на кухне, соблюдая специальные условия.
- 60-150 кВт. Котельную разрешается обустроить в автономном помещении на любом этаже. Если в качестве топлива используется природный газ, местом монтажа может выступать подвал или цокольный этаж.
- 150 -350 кВт. Бойлерная должна находиться в отдельной комнате на первом или цокольном этаже. Еще один допустимый вариант – пристройка и отдельное здание.
Отдельную котельную разрешается использовать и для размещения агрегатов мощностью менее 60 кВт. В этом есть даже свои преимущества, ведь в таком случае все необходимое оборудование будет находиться в одном месте.
Объем котельной для газового котла также регламентирован:
- Для агрегатов мощностью не более 30 кВт топочная должна обладать минимальным объемом 7,5 м3 (не путать с площадью).

- 30-60 кВт — 13,5 м3.
- 60-200 кВт — 15 м3.
Если газовый котел предполагается разместить на кухне, на этот случай прописаны другие нормы: объем комнаты — от 15 м3, при высоте стен от 2,5 м.
Каждый из случаев обустройства топочной требует отдельного подхода, хотя имеются и общие условия:
- Внутри помещения котельной в коттедже должен попадать свел с улицы. К площади окон также предъявляются отдельные требования: каждому 1 м3 объема должно соответствовать не менее 0,03 м2 оконного проема. В данном случае речь идет о размере стекла. Оконная система обязательно должна быть распашной, створки которой открываются наружу.
- Окно должно обладать форточкой на случае аварийного проветривания при аварийной ситуации с пропуском газа.
- Запрещается отсутствие вентиляции или дымохода, которые выводят продукты сгорания на улицу.
Для отвода выхлопов маломощного котла до 30 кВт разрешается использовать отверстие в стене. - Наличие холодного трубопровода для подпитки системы. То же самое касается наличия дренажа для сливания теплоносителя.
Еще одно общее условие (появилось в последней версии правил) – комплектация двухконтурного газового оборудования мощностью от 60 кВт приборами слежения за степенью загазованности. При срабатывании система сразу блокирует подачу газа.
Если котельная находится в отдельном помещении
Совет: Используйте наши строительные калькуляторы онлайн, и вы выполните расчеты строительных материалов или конструкций быстро и точно.
Проектируя индивидуальное помещение под газовый котел мощностью не более 200 кВт, обязательно нужно использовать не подающиеся горению стены с уровнем огнестойкости не менее 0,75 часа. Подобные характеристики имеются у кирпича, шлакоблоков и бетона.
Автономная котельная встроенного или пристроенного типа должна отвечать следующим требованиям:
- Норма объема котельной для газового котла – от 15 м3.
- Высота стен. Для оборудования мощностью от 30 кВт — 2,5 м; до 30 кВт — от 2,2 м.
- Необходимо наличие окна с фрамугой или форточкой. Соотношение площади остекления к объему помещения – 0,03 м2/ 1 м3.
- Мощность вентиляционной системы должна обеспечивать трехкратный обмен воздуха в течение одного часа.
При размещении бойлерной в подвале или цокольном этаже, при определении минимального размера помещения необходимо к стандартным 15 м3 добавить 0,2 м3 на каждый киловатт мощности. Также ужесточаются требование к стенам и перекрытиям, ограждающим топочную от других комнат: сквозь них газ или пар не должен просачиваться ни в коем случае.
Если бойлерная подвального или цокольного этажа служит местом монтажа приборов мощностью 150-350 кВт, ее необходимо оснастить отдельным выходом на улицу.Как вариант, это может быть выход в коридор, ведущий на улицу. Определяясь с конфигурацией и вместительностью котельной, смотрят также на удобство обслуживания: поэтому эта комната обычно получается больше минимальных размеров.
Пристроенные бойлерные в частном доме
Если оборудование устанавливается в специальной пристройке, в таком случае, кроме упомянутых, необходимо выполнить некоторые дополнительные требования:
- Пристраиваться разрешается к сплошной стене: ближайшие проемы должны быть удалены не менее, чем на 100 см.
- Строительный материал должен иметь предел огнестойкости от 0,75 часа. Подходящие свойства имеются у бетонных, кирпичных и шлакоблочных стен.
- Чтобы избежать связи пристройки с основным зданием, потребуется обустройство индивидуального фундамента, отделенного от общего основания. Он предназначен не для трех, а для всех четырех стен.
Также следует знать следующие нюансы.Бывает так, что подходящего по размерам помещения под котельную в доме не имеется. Иногда газовая служба идет на встречу, требуя компенсировать эти недостатки увеличенной площадью остекления. Если речь идет о строительстве дома, то все нормативы по топочной нужно обязательно выполнить. В противном случае согласование проекта не произойдет. Подобную принципиальность проявляют и к пристроенным котельным, где отход от прописанных размеров не допускается ни по какой причине.
Если газовый котел монтируется на кухне
Как было сказано выше, небольшие газовые котлы (до 30 кВт) разрешается устанавливать в кухонном отделении дома. При этом тип камеры сгорания может быть как открытым, так и закрытым, Для отведения продуктов горения допускается использование вентканалов, дымоходов и отверстий в стене. Устанавливать разрешается настенное и напольное оборудование.
Монтируя газовый котел на кухне, необходимо учесть следующее:
- Высота потолков должна быть не ниже 2,5 м.

- Помещение должно иметь объем от 15 м3.
- Вентиляция должна гарантировать трехкратную смену воздуха в течение часа.
- В подаче кислорода не должно быть перебоев: важно, чтобы его хватало для поддержания работы газовой горелки.
Точкой установки настенных котлов должны выступать только негорючие основания. При расположении оборудования нужно учитывать требования к расстоянию до боковых стен (не менее 10 см). В коттеджах из пиломатериалов допускается монтаж на трудногорючих или горючих основаниях, предварительно оштукатуренных или оснащенных огнеупорным экраном под газовый котел. Штукатурка накладывается слоем не менее 50 мм.
Для изготовления экрана используют стальной лист. Перед его креплением проводят термоизоляцию стены при помощи асбеста или плиты из каменной ваты. Толщина этой отделки – не менее 3 мм. Экран своими габаритами должен превосходить очертания котла в кожухе на 70 см сверху и на 10 см снизу и сбоку.![]()
Отдельная постройка для котельной
Оборудование мощностью от 200 кВт необходимо устанавливать в отдельном от дома сооружении.
Наряду с общими предписаниями, в таком случае предъявляются и некоторые дополнительные условия:
- Жаропрочность строительного материала, из которого сооружаются стены и кровля (в том числе и внутренней финишной отделки).
- Отдельно стоящая котельная должна иметь объем помещения не менее 15 м3. К полученному результату плюсуют по 0,2 м3 на каждый кВт мощности, задействованный в обогреве жилища.
- Потолки. Высота – от 250 см.
- Площадь остекления. Ее определяют по формуле 0,03 м2/1 м3 объема постройки.
- Окно. Обязательно обладает форточкой или фрамугой.
- Наличие отдельного фундамента под котел. Он не должен быть выше 15 см по отношению к общему уровню. Если масса отопительного оборудования не превышает 200 кг, его можно монтировать на бетонный пол.

- Наличие системы аварийного отключения газа. Ее устанавливают на трубе.
- Двери. Допускается использование только неусиленных конструкций на слабых петлях.
- Вентиляция. Ее мощности должно хватать на то, чтобы за один час весь воздух в помещении заменился не менее трех раз.
Приемка и размещение котла в котельной отличается строгостью: на поблажки представители газовой службы обычно не идут.
Требования к дверям
В отдельном помещении жилого дома, которое переоборудовано под топочную, необходимо использовать двери, не боящиеся открытого пламени и высокой температуры. Эти изделия должны иметь способность противостоять огню на протяжении 15 минут. Подобными характеристиками обладают только металлические конструкции. Устанавливать можно как фабричные, так и самодельные модели: главное, соблюсти все необходимые параметры.
В тех ситуациях, когда в котельную имеет вход с улицы, его оснащают неукрепленными дверями.
Благодаря этому в случае взрыва коробка попросту выносится взрывной волной наружу. Это дает возможность энергии взрыва быть направленной на улицу, что сохранит стены жилища. Также легко «выносимые» двери позволяю газу свободно выходить в случае пропусков. Нередко проекты содержат дополнительное условие: внизу двери должно иметься оформленное решеткой отверстия. Благодаря ему обеспечивается необходимый приток воздуха в котельную.
Требования к вентиляционной системе
При проведении расчета производительности вентиляции необходимо ориентироваться на объем помещения. При необходимости умножения на 3 обычно добавляют около 30% запаса. Таким образом определяется количество воздуха, которое необходимо заменить в течение часа. Для примера можно взять расчет помещения 3х3 м с высотой стен 2,5 м. Объем высчитывается так: 3х3х2,5=22,5 м3. Так как необходим трехкратный обмен, то 22,5 м3 х 3 = 67,5 м3. К полученному результату добавляют запас в 30%: выходит 87,75 м3.
Чтобы добиться естественного проветривания, нижняя область стены оснащается приточным отверстием с решеткой. Вытяжную трубу выводят через кровлю или стену в верхней ее части. Вентиляционная труба должна выходить на одной высоте с дымоходом.
Твердотопливные и жидкотопливные агрегаты
Общие предписания для организации котельной идентичны.
Отличия касаются нюансов в обустройстве системы отведения продуктов горения:
- Сечение дымохода должно превосходить аналогичный показатель выходного патрубка.
- Конструкция дымохода должна содержать минимальное число колен. Если есть возможность, его лучше сделать прямым.
- Низ стены необходимо оснастить вытяжкой или окном для поступления воздуха. Площадь фрамуги зависит от мощности котла.
- Дымоходная труба выводится сквозь крышу или стену.
- В непосредственной близости с дымоотводящей трубой обустраивается ревизионное отверстие.

- Дымоход должен иметь газонепроницаемые соединения.
- Для установки котла требуется негорючее основание. Деревянные полы оформляются асбестовым листом или картоном из минеральной ваты. Над ними обязательно кладут кусок стальной плиты. Есть вариант с возвышением из кирпичной кладки, отделанное штукатуркой или кафелем.
- Энергозависимые котлы питаются от скрытой проводки в специальных гофрах. На розетку подводится пониженное напряжение (42 В).
Спецификой котлов на жидком топливе является значительный шум и характерный запах при работе. По этой причине их обычно устанавливают в отдельном помещении с хорошей звукоизоляцией.
Как определить размер печи для вашего дома
Когда на улице холодно, мы хотим чувствовать себя комфортно внутри.
Для обеспечения комфорта в зимние месяцы нет ничего более необходимого, чем печь — великая рабочая лошадка домашнего отопления в Соединенных Штатах. Однако, чтобы печь работала должным образом, она должна быть подходящего размера. Покупка печи неподходящего размера для дома — слишком распространенная ошибка, которая может привести к некомфортной температуре и ненужным расходам. Чтобы избежать этих головных болей, следуйте нашему подробному руководству о том, как точно рассчитать размер печи, наиболее подходящий для вашего дома.
Размер печи зависит от того, сколько тепла она может производить в час, измеряемое в БТЕ или британских тепловых единицах. БТЕ — это энергия, необходимая для нагревания фунта воды на один градус Фаренгейта. Чем выше рейтинг BTU у печи, тем больше тепла она может дать.
Обратите внимание: Этот блог предназначен только для информационных целей. Пожалуйста, всегда консультируйтесь со специалистом по HVAC при выборе печи правильного размера для вашего дома.
Какой размер печи подходит для моего дома?
Если вы строите дом, вам может быть интересно, сколько БТЕ потребуется для его обогрева. Первое, на что следует обратить внимание, это площадь вашего дома. Вообще говоря, большие дома требуют больше БТЕ для обогрева. Однако имейте в виду, что это всего лишь отправная точка. Ниже приведены БТЕ печи, необходимые для домов определенных размеров.
- Печь для дома площадью 1200 квадратных футов : от 36 000 до 72 000 БТЕ
- Печь для дома площадью 1500 квадратных футов : от 45 000 до 90 000 БТЕ
- Печь для дома площадью 1800 квадратных футов : от 54 000 до 108 000 БТЕ
- Печь для дома площадью 2100 квадратных футов : от 63 000 до 126 000 БТЕ
- Печь для дома площадью 2400 квадратных футов : от 72 000 до 144 000 БТЕ
Как видите, использование BTU, рекомендуемое для каждого размера дома, представляет собой не одно число, а широкий диапазон, поэтому одни только квадратные метры не особенно полезны.
Чтобы получить более точное представление о БТЕ, необходимых для обогрева вашего дома, вам необходимо учитывать несколько других факторов, которые мы обсудим позже в этой статье. Во-первых, мы объясним, почему выбор печи правильного размера так важен.
Почему размер печи имеет значение для дома?
Покупка печи подходящего размера для вашего дома обеспечит вам комфорт и не потратит на отопление больше, чем нужно. С другой стороны, большие и маленькие нагреватели доставят вам множество проблем.
Если ваша печь слишком велика для вашего дома
Некоторые могут предположить, что большая печь обеспечит тепло в их доме, но это не так. Слишком большая печь может привести к следующим проблемам:
- Вам будет неудобно . Крупногабаритные обогреватели, как правило, работают быстрыми рывками, и когда становится холодно, они включаются и заставляют определенные области дома нагреваться слишком быстро и становятся некомфортно жаркими.
Это, в свою очередь, приведет к отключению обогревателя, в результате чего некоторые части дома будут ощущаться как духовка, а другие — как морозильная камера. - Меньшая энергоэффективность . Частые включения и выключения делают крупногабаритные обогреватели неэффективными.
- Короткий срок службы . Постоянное включение и выключение нагревателя приведет к износу системы и преждевременному отказу.
- Y придется часто ремонтировать . Мало того, что ваша система будет иметь более короткий срок службы, вам, вероятно, также придется ее ремонтировать, а это может быть дорого.
Если ваша печь слишком мала для вашего дома
Если ваша печь слишком мала для вашего дома, вы также столкнетесь с несколькими проблемами, многие из которых одинаковы:
- Вам будет неудобно . Это особенно актуально в самые холодные дни года, когда ваша печь не выдерживает низких температур.
Малогабаритные печи не могут компенсировать разницу, чтобы ваш дом чувствовал себя комфортно. - Высокие счета за электроэнергию . Поскольку ваша печь будет работать без остановок, ваши ежемесячные счета за электроэнергию будут выше, чем они должны быть.
- Короткий срок службы . Эта постоянная работа также приведет к более быстрому износу вашей печи.
- Неравномерный нагрев . Вокруг дома будут холодные или горячие точки.
Печь подходящего размера для вашего дома
Печь подходящего размера для вашего дома постепенно согреет ваш дом. Таким образом, он будет намного более энергоэффективным, и ваше оборудование прослужит намного дольше. Если вы заметили, что ваша печь работает практически все время, это вполне может означать, что ваша печь слишком мала. И если вы заметили, что он постоянно запускается и останавливается, это может указывать на то, что ваша печь слишком велика.
С печью подходящего размера вы не должны иметь дело ни с холодными, ни с горячими карманами.
Однако важно помнить, что в исключительно холодные ночи даже печь подходящего размера может не обеспечить вам комфорт. Это не о чем беспокоиться — это просто означает, что вам все еще может понадобиться время от времени собираться.
Как рассчитать печь нужного размера
Как вы знаете, при оценке размера системы печного отопления в вашем доме учитывается множество факторов. Вот первые два шага, которые вы должны предпринять, чтобы оценить размер печи.
- Рассчитайте площадь вашего дома. Сложите площади всех комнат в вашем доме, которые вы хотите обогреть. Ваши расчеты обычно включают все комнаты, но возможно, воздуховоды в вашем доме не соединяются с подвалом или чердаком. Вот руководство по расчету площади комнат определенной формы.
- Чтобы измерить площадь прямоугольной комнаты, умножьте длину и ширину.
- Для измерения площади треугольной комнаты, умножьте длину и ширину, затем разделите произведение на два.

- Для площади круглой комнаты начните с измерения радиуса r, который представляет собой расстояние от края комнаты до центра. Затем вычислите πr 2 . Если в вашем калькуляторе нет функции числа пи (π), используйте число 3.14.
- Для комнат необычной формы разделите их на более мелкие секции и измерьте каждую из них отдельно.
- Узнайте, в какой климатической зоне находится ваш дом Климат — это еще один фактор, который помогает определить, сколько БТЕ вам нужно для обогрева вашего дома. Вообще говоря, чем дальше от экватора вы находитесь, тем больше БТЕ потребуется для обогрева квадратного метра вашего дома. Однако некоторые географические факторы, такие как высота над уровнем моря и океанские течения, приводят к тому, что требования к BTU различаются на любой заданной широте. Ниже представлены пять климатических зон в Соединенных Штатах.
- Зона 1 : Эта зона занимает самые южные регионы США и включает Майами, Новый Орлеан и Хьюстон.
Он имеет коэффициент нагрева от 30 до 35 БТЕ. - Зона 2 : Эта зона включает прибрежную Калифорнию и южные города Атланту и Литл-Рок. Его коэффициент нагрева колеблется от 35 до 40 БТЕ.
- Зона 3 : Эта зона включает Вирджинию и простирается на запад до Миссури и Канзаса. Он имеет коэффициент нагрева от 40 до 45 БТЕ.
- Зона 4 : В эту зону входят Бостон, Нью-Йорк и Чикаго. Его коэффициент нагрева составляет от 45 до 50 БТЕ.
- Зона 5 : Это самая северная зона в континентальной части США, включая города Буффало и Миннеаполис. Его коэффициент нагрева составляет от 50 до 60 БТЕ.
Для каждой климатической зоны существует рекомендуемый коэффициент обогрева, который представляет собой рекомендуемое количество БТЕ на квадратный фут. Например, Чикаго и Нью-Йорк находятся в Зоне 4 с коэффициентом обогрева от 45 до 50. Если вы живете в любом из этих городов, вам понадобится обогреватель, производящий от 45 до 50 БТЕ на квадратный фут.
Лос-Анджелес и Атланта, с другой стороны, находятся в зоне 2, что означает, что вам потребуется от 35 до 40 БТЕ на квадратный фут.Если вы живете в новом доме или доме с хорошей изоляцией, вам следует использовать меньшее из этих двух чисел. Если ваш дом старше или у вас плохая изоляция, выберите большее значение. Если вы не уверены, всегда безопаснее использовать большее число, но постарайтесь подойти как можно ближе, чтобы не купить печь с большей мощностью, чем необходимо.
Например, предположим, что вы живете в хорошо изолированном доме площадью 1900 квадратных футов в зоне
.
- Зона 1 : Эта зона занимает самые южные регионы США и включает Майами, Новый Орлеан и Хьюстон.
- Умножьте количество квадратных метров на 40, меньшее число, рекомендуемое для данной климатической зоны. Этот расчет даст вам 76 000 БТЕ, которые должны комфортно поддерживать тепло в вашем доме в этом климате.
Другие факторы, которые необходимо учитывать при выборе печи для дома
Однако необходимо учитывать не только площадь, климат и изоляцию.
Вот еще несколько моментов, которые следует учитывать.
- Окна: Если в вашем доме много окон, вероятность утечки тепла выше. Вам может потребоваться выбрать число, близкое к верхнему пределу вашего диапазона коэффициента нагрева, особенно если это старые окна.
- Воздействие солнца: Количество солнечного света, попадающего в ваш дом, также поможет определить, сколько БТЕ вам нужно. Если у вас есть комнаты, которые почти всегда затенены, уменьшите необходимую мощность на 10 процентов. Если в доме много солнечного света, увеличьте необходимую мощность на 10 процентов.
- Количество жителей: Человеческое тело рассеивает тепло в окружающий воздух, поэтому, если в определенной комнате регулярно проживает несколько человек, для ее обогрева потребуется меньше БТЕ.
- Кухня: Для кухни добавьте 4000 БТЕ.
- Количество этажей: Если вы живете в двухэтажном доме, вам потребуется немного меньше BTU, поскольку второй этаж помогает изолировать дом.

- Возраст: Новые дома, как правило, имеют лучшую изоляцию и меньше зон для отвода тепла.
- Желаемая температура: Большинство людей предпочитают температуру от 70 до 80 градусов по Фаренгейту, хотя, если вы предпочитаете держать термостат необычно высоким или низким, это повлияет на ваши требования к БТЕ.
- Высота потолка: Если у вас очень высокие потолки, для комфортного обогрева вашего дома потребуется больше БТЕ.
- Потолочные вентиляторы: Потолочные вентиляторы могут улучшить циркуляцию воздуха в вашем доме, что поможет снизить потребление БТЕ. Они делают это, равномерно распределяя температуру по всему дому.
- Воздуховод: Если размеры воздуховода и печи не совпадают, это может вызвать проблемы. Например, если ваш воздуховод недостаточно велик для вашей печи, это сократит срок службы печи, потому что воздуху, который производит печь, не будет достаточно места для прохождения.
Это ограничит поток воздуха и может привести к перегреву печи. Убедитесь, что размер вашей печи соответствует размеру воздуховода. - Цвет вашей крыши: Темные крыши поглощают больше солнечной энергии, чем более светлые. Даже грязные крыши поглощают значительно больше энергии, чем новые чистые белые крыши, что приводит к заметному различию использования БТЕ.
- Форма вашего дома: Длинному и узкому дому для обогрева потребуется больше БТЕ, чем квадратному дому такой же площади. Это связано с тем, что длинный узкий дом имеет больше внешних стен и в результате будет больше потерь тепла.
Эффективность печи в вашем доме
Когда вы идете в магазин за печью, вы заметите два важных числа: номинальная потребляемая мощность в БТЕ и рейтинг эффективности в процентах. Это второе число указывает, насколько эффективно печь может преобразовывать воздух в тепло. Вы должны посмотреть на оба числа, чтобы получить представление о фактической мощности печи.
Вернемся к нашему гипотетическому дому площадью 1900 квадратных футов: если вы найдете печь мощностью 90 000 БТЕ и КПД 80%, ваша мощность составит 72 000 БТЕ. Эта печь подойдет, скажем, для старого дома в Атланте или Лос-Анджелесе, и ее будет более чем достаточно для нового дома с хорошей изоляцией. Если это 1,9Дом площадью 00 квадратных футов находится в Вашингтоне, округ Колумбия, однако печь, на которую вы смотрите, имеет КПД 80 процентов, входная мощность должна составлять 100 000 БТЕ.
Печи обычно имеют рейтинг эффективности около 80 процентов, хотя более дорогие модели с высоким энергопотреблением имеют рейтинг эффективности не менее 93 процентов. Наиболее распространенными типами являются газовые печи, которые должны иметь рейтинг эффективности не менее 78 процентов, а самые дорогие модели приближаются к 97 процентам. Некоторые электрические печи имеют 100-процентный КПД.
Обратите внимание, что эффективность вашей печи будет снижаться со временем и использованием.
Предоставьте это нашим экспертам по оценке размера печи
Даже теперь, когда вы понимаете все факторы, которые могут повлиять на ваши требования к теплоте сгорания, определение размера вашей печи может показаться сложной задачей. Если вы хотите быть уверены, что ваша печь подходит по размеру, доверьте эту работу профессиональным специалистам по ОВК в Oasis. У нас есть опыт и оборудование, чтобы провести подробный анализ вашего дома с учетом изоляции, размеров воздуховодов, высоты потолка, размеров окон и других ограничений, влияющих на размер печи, которая вам нужна.
Если вы живете в Северной Вирджинии и нуждаетесь в установке, ремонте или техническом обслуживании ваших систем отопления, охлаждения или контроля качества воздуха, мы — профессиональная команда, на которую вы можете положиться в выполнении работы. Мы позаботимся о том, чтобы установить правильное оборудование для вашего дома и выполнить каждую работу должным образом и в соответствии с кодом.
Мы считаем, что каждый клиент заслуживает ценного обслуживания, и мы не будем продавать вам товары, которые вам не нужны.
Позвоните нам по телефону 703-997-8222 или заполните нашу онлайн-форму, чтобы назначить встречу или узнать больше о наших услугах по установке, ремонту и техническому обслуживанию. Мы с нетерпением ждем ответа от вас!
*Последнее обновление 01.06.2021
«Отличное своевременное обслуживание. Знающие и аккуратные техники. Хорошая ценность.»
«Непременно воспользуюсь их услугами снова. Прибыл по расписанию.»
– Спрингфилд, Вирджиния
Источники:
- http://www.hunker.com/12613355/how-big-of-a -печь-мне-нужно- дом 1600 квадратных футов
- http://www.wikihow.com/Calculate-BTU-Per-Square-Foot
- http://www.inchcalculator.com/calculate-many-btus-needed-heat-home/
- http://www.calculator.net/btu-calculator.
html - http://santafeair.com /help-guides/buyers/what-furnace-size-should-i-get-for-an-1800-square-foot-house
- http://www.lennox.com/help/faqs/equipment-size
- http://www.fountainhillsair.com/articles/how-do-i-know-what-size-furnace-to-buy/
- http://www.lcsheatingandcooling.com/2017/10/signs-your -печь-слишком большая-или-маленькая-для-вашего-дома/
- http://www.oasiscooling.com/
- http://www.oasiscooling.com/contact/contact
- http://www.oasiscooling.com/heating
Теги: Информация
Вторник, 1 июня 2021 г., 16:54 | Категории: Отопление
|
Печь какого размера и BTU вам нужна?
Содержание
- Калькулятор размера печи и БТЕ
- Почему размер печи так важен
- Размер печи может максимизировать энергоэффективность
- Как измеряется размер печи
- Размер печи начинается с площади в квадратных футах
- Факторы, кроме квадратных метров, которые влияют на размер печи
- Климат 900 23
- Исходный стиль, компоновка и ориентация
- Изоляция
- Окна и двери
- Дополнительные источники тепла
- Воздуховоды
- Наружные стены
- Топка AFUE (рейтинг энергоэффективности)
- Как оценить размер печи на основе квадратных метров
- Профессиональное определение размера печи
Покупка новой печи является важным решением, потому что в наши дни на рынке так много выбора, включая различные бренды, марки и модели, доступные технологии, типы печей и рейтинги эффективности.
Но одна из самых важных вещей, которую вам нужно знать, прежде чем покупать печь, — это размер, который вам нужен для вашего помещения.
Определение размеров печи — это не только расчет квадратных метров вашего дома. Есть много вещей, которые вы должны учитывать при выборе размера печи. Сегодня мы объясним, что это за факторы, выясним, почему важно правильно подобрать размер печи, и поговорим о том, как вы можете получить печь, размер которой соответствует вашему пространству, вашему климату и вашим потребностям в комфорте.
Калькулятор размеров печи и БТЕ
➤ Попробуйте наш новый Калькулятор размеров печи и БТЕ, чтобы мгновенно рассчитать стоимость вашего дома!
Почему размер печи так важен
Может возникнуть соблазн купить печь меньшего размера, чтобы сэкономить деньги на покупной цене, или купить печь большего размера, чтобы максимизировать обогрев помещения, но печи похожи на кашу Златовласки: вам нужна такая, которая в самый раз, для вашего дома.
Слишком большая печь будет работать неравномерно. Это плохо, потому что это создаст горячие и холодные точки по всему дому, повлияет на эффективность, увеличит техническое обслуживание и сократит срок службы печи.
Слишком маленькая печь будет работать непрерывно, но не сможет поддерживать комфортную температуру в вашем доме. Увеличение рабочей нагрузки также повысит ваши счета за электроэнергию, создаст проблемы с техническим обслуживанием и сократит срок службы печи.
Размер печи может повысить энергоэффективность
Еще одна проблема с печью неподходящего размера заключается в том, что это отрицательно скажется на эффективности системы отопления.
AFUE (годовая эффективность использования топлива) печи рассчитывается на основе нормальной работы. Когда печь работает непрерывно или нерегулярно из-за неподходящего размера, вы не получите рейтинг эффективности, за который заплатили, и это приведет к большему потреблению энергии и более высоким счетам за отопление.
Чтобы ваша печь работала с должным уровнем эффективности, ее размер должен соответствовать вашему дому.
Как измеряется размер печи
Когда вы говорите о размере печи, вы на самом деле не имеете в виду физические размеры устройства. Скорее, размер печи связан с ее тепловой мощностью и тем, сколько тепла она может генерировать.
Производительность печи обычно измеряется в британских тепловых единицах (БТЕ) в час. БТЕ — это единица измерения энергии, а именно количества энергии, необходимого для увеличения 1 фунта воды на 1 F.
Большая печь, например, мощностью 120 000 БТЕ в час, будет генерировать достаточно тепла для большего пространства. Печь меньшего размера будет иметь меньшую мощность БТЕ, например, 40 000 БТЕ в час, и подойдет для меньшего пространства.
Некоторые производители начали измерять размер печи в MBH вместо BTU. МБЧ — это одна тысяча БТЕ в час, поэтому вы по-прежнему работаете с тем же измерением: 60 МБЧ — это 60 000 БТЕ.
Размеры печи начинаются с площади в квадратных футах
Одним из самых важных факторов, влияющих на размер вашей печи, является размер вашего дома, а именно, сколько квадратных футов площади необходимо отапливать.
Вы можете использовать квадратные метры, чтобы получить представление о том, какой диапазон размеров вам следует искать для вашей новой печи. Однако существует множество факторов, которые могут повлиять на размер печи, который вам нужен, в том числе:
- Климат, в котором вы живете
- Стиль и ориентация вашего дома
- Сколько у вас наружных стен
- Качество и толщина вашего утеплителя
- Количество окон и дверей и их возраст
- КПД печи
- Состояние вашего воздуховода
Вам придется учитывать все эти элементы, а также площадь в квадратных футах, чтобы точно рассчитать размер печи.
Факторы, помимо квадратных метров, влияющие на размер печи
Климат
Канада — довольно большая страна, и климат зимой может сильно различаться в зависимости от того, где вы живете.
Климат также поможет определить, какой размер печи вам нужен.
Например, для дома площадью 2000 квадратных футов в Оттаве потребуется печь большего размера, чем для того же дома в Виктории, потому что зимы в Оттаве намного холоднее.
Тип дома, планировка и ориентация
Дизайн вашего дома важно учитывать при выборе размера печи, потому что существует так много мелочей, которые могут повлиять на требования к отоплению.
Ориентация — одна из них. Дома, выходящие на южную сторону, получают больше солнца, и зимой вы можете воспользоваться этим, впустив свет и позволив солнцу согреть свой дом. Другими словами, в домах, выходящих на юг, можно обойтись меньшими печами, чем в затененных домах.
Количество этажей в вашем доме также повлияет на требования BTU, но, возможно, не так, как вы думаете. Для дома площадью 1000 квадратных футов с одним этажом потребуется печь немного большего размера, чем для дома площадью 1000 квадратных футов с двумя этажами, потому что второй этаж фактически обеспечивает изоляцию, тем самым снижая потребности в отоплении.
Ваш план этажа также может повлиять на размер печи, потому что дома открытой планировки имеют меньше внутренних стен для удержания тепла по сравнению с домами с большим количеством изолированных комнат, и это может означать, что вам нужна печь большего размера.
Кроме того, некоторые элементы, такие как раздвижные двери или солярии, могут с большей вероятностью пропускать тепло и, следовательно, могут увеличить общие потребности в отоплении, особенно в этой части дома.
Изоляция
Изоляция — важный инструмент, который может повысить эффективность вашего дома. Дома, которые хорошо герметизированы и имеют толстую изоляцию, более эффективны, и в эффективных домах обычно можно обойтись меньшими печами.
Изоляция важна не только для стен: ваш чердак, подвальное помещение или подвал, а также крыша должны быть изолированы, чтобы предотвратить потерю тепла.
Окна и двери
Окна, мансардные окна и двери могут быть печально известны протечками и сквозняками, особенно старые, которые не являются энергоэффективными и должным образом герметизированы.
Чем больше у вас стекол и лестничных пролетов, тем больше БТЕ вам потребуется, чтобы компенсировать потери тепла.
Напротив, если у вас не так много этих функций, они очень маленькие или хорошо изолированы и энергоэффективны, то может быть достаточно печи немного меньшего размера.
Дополнительные источники тепла
В некоторых домах есть дровяные печи, газовые камины и другие вторичные источники тепла, которые могут снизить потребность в печи. Если у вас есть дополнительные источники тепла, которыми вы регулярно пользуетесь в зимнее время, то вам не понадобится печь с таким количеством БТЕ теплопроизводительности.
Воздуховоды
Как и в случае с окнами и дверями, негерметичные воздуховоды могут увеличить потребность в отоплении по всему дому и увеличить размер печи, которая вам нужна, а также увеличить ваши счета за электроэнергию.
Возможно, стоит провести визуальный осмотр вашего воздуховода, чтобы увидеть, нет ли проблемных мест. Устраняя утечки, вы можете повысить общую эффективность вашего дома, а также систем отопления и охлаждения.
Наружные стены
Дома с меньшим количеством наружных стен менее подвержены воздействию непогоды и, вероятно, имеют меньшую потребность в отоплении. Сюда могут входить:
- Квартиры
- Кондоминиумы
- Смежные дома
- Таунхаусы
AFUE печи (ее рейтинг энергоэффективности)
Мы уже упоминали, как размер может повлиять на AFUE, но AFUE печи также может повлиять на необходимый вам размер.
В качестве примера возьмем печь на 100 000 БТЕ. При 100-процентной эффективности эта печь действительно будет генерировать 100 000 БТЕ тепла в час. Однако, если AFUE составляет всего 90 процентов, то та же самая печь будет генерировать только 90 000 БТЕ тепла в час.
Вывод здесь таков: чем ниже рейтинг эффективности, тем больше должна быть печь.
Вы заплатите больше за модель с более высокой эффективностью, но вы также сможете обойтись меньшей печью, что компенсирует часть затрат. Кроме того, вы сэкономите больше на счетах за электроэнергию в долгосрочной перспективе с высокоэффективной печью.
Как оценить размер печи на основе квадратных метров
Мы уже говорили о множестве факторов, которые могут повлиять на размер печи, но вы можете получить базовую оценку, используя квадратные метры вашего дома.
Хотя вам не следует использовать этот расчет для принятия окончательного решения о размере печи, вы можете использовать его, чтобы получить представление о диапазоне размеров, на который следует обратить внимание при покупке новой модели.
Общее эмпирическое правило заключается в том, что вам необходимо от 30 до 60 БТЕ на квадратный фут, в зависимости от вашего климата.
Климатические зоны помогут определить необходимое количество БТЕ на квадратный фут. Дополнительную информацию о климатических зонах и требованиях к изоляции можно найти в Североамериканской ассоциации производителей изоляции.
Как правило, регион Ванкувера и аналогичные близлежащие районы считаются районами с мягким климатом. Прерии и другие северные регионы считаются холодным климатом.
И большая часть остальной части страны, такая как Южный Онтарио и Приморье, будет считаться умеренным климатом.
Кроме того, многие домовладельцы в более холодном климате предпочитают иметь двойные печи, особенно в больших домах.
Вот список общих требований к мощности БТЕ, которые вы можете использовать в качестве отправной точки для оценки размера печи: 491 1 000 9 0491 180 000 БТЕ Давайте рассмотрим пример того, как эти оценки могут вам помочь. Допустим, вы живете в холодном климате, например, в Виннипеге, в доме площадью 1800 квадратных футов. На диаграмме указано, что вам нужна печь мощностью около 108 000 БТЕ. Но предположим, что ваш дом старше, в нем недостаточно теплоизоляции и в окнах сквозняки. Это может добавить дополнительную нагрузку к вашим потребностям в отоплении, поэтому вы можете рассмотреть печи мощностью от 110 000 до 130 000 БТЕ. Но тогда скажем, вы недавно обновили изоляцию, установили энергосберегающие окна и двери и присматривались к печи с КПД около 99 процентов. В этом случае вы можете вместо этого рассмотреть печи мощностью от 85 000 до 100 000 БТЕ. Это всего лишь примеры с приблизительными цифрами, чтобы дать вам представление о том, как дополнительные факторы изменят размер печи, который вам нужен. Лучший способ убедиться в том, что ваша печь подходит по размеру для вашего дома, — это получить оценку от профессионального эксперта по HVAC. 30 000 БТЕ 45 000 БТЕ 60 000 БТЕ 1 200 36 000 БТЕ 54 000 БТЕ 72 000 БТЕ 1 500 45 000 БТЕ 67 500 БТЕ 90 000 БТЕ 9049 2 1,800 54,000 БТЕ 81,000 БТЕ 108,000 БТЕ 2,000 60 000 БТЕ 90 000 БТЕ 120 000 БТЕ 2 200 66 000 БТЕ 99 000 БТЕ 132 000 БТЕ с 2500 75 000 БТЕ 112 500 БТЕ 150 000 БТЕ 2 800 84 000 БТЕ 126 000 БТЕ 168 000 БТЕ 3 000 90 000 БТЕ 135 000 БТЕ 
Получение печи профессионального размера


Размер выходного отверстия зависит от технических характеристик оборудования, но не меньше размера выходного патрубка.
Для отвода выхлопов маломощного котла до 30 кВт разрешается использовать отверстие в стене.
Как вариант, это может быть выход в коридор, ведущий на улицу. Определяясь с конфигурацией и вместительностью котельной, смотрят также на удобство обслуживания: поэтому эта комната обычно получается больше минимальных размеров.
Бывает так, что подходящего по размерам помещения под котельную в доме не имеется. Иногда газовая служба идет на встречу, требуя компенсировать эти недостатки увеличенной площадью остекления. Если речь идет о строительстве дома, то все нормативы по топочной нужно обязательно выполнить. В противном случае согласование проекта не произойдет. Подобную принципиальность проявляют и к пристроенным котельным, где отход от прописанных размеров не допускается ни по какой причине.



Это, в свою очередь, приведет к отключению обогревателя, в результате чего некоторые части дома будут ощущаться как духовка, а другие — как морозильная камера.
Малогабаритные печи не могут компенсировать разницу, чтобы ваш дом чувствовал себя комфортно.
Он имеет коэффициент нагрева от 30 до 35 БТЕ.
Лос-Анджелес и Атланта, с другой стороны, находятся в зоне 2, что означает, что вам потребуется от 35 до 40 БТЕ на квадратный фут.
Это ограничит поток воздуха и может привести к перегреву печи. Убедитесь, что размер вашей печи соответствует размеру воздуховода.
html