Чиллер устанавливается на строго горизонтальной открытой площадке, которая должна с запасом выдерживать вес и динамические нагрузки оборудования. Для монтажа моноблочных агрегатов на крышах зданий используется опорная рама, для установки чиллеров в наземных помещениях подготавливается специальный фундамент, в котором заранее предусмотрены каналы для отвода конденсата.
Фундамент основания или крепежная рама призваны равномерно распределить вес чиллера, увеличить инерционность оборудования и снизить вибрационные нагрузки.
Чтобы свести к минимуму вибрационные нагрузки на несущие конструкции здания, чиллер устанавливается на специальные виброопоры (пружинные или резиновые), которые демпфируют вибрацию оборудования. В зависимости от места локации виброопоры испытывают разную нагрузку – со стороны компрессора устанавливают наиболее мощные пружины, с противоположной стороны – более слабые опоры. В целях корректной установки все пружины имеют соответствующую маркировку.
Защищать от повышенной вибрации необходимо не только чиллер, но и его обвязку – трубопроводы с хладагентом. В этом случае для снижения вибрации используются трубные виброизоляторы. При этом все трубопроводы должны иметь надлежащую опору, чтобы не создавать нагрузку на оборудование.
Окончательно агрегат крепится к опоре только после проверки его положения – оно должно быть строго горизонтальным. Чиллер крепится анкерными болтами к бетонному основанию либо гайками к рамной опоре из металлического профиля.
Подключение чиллера к электроснабжению и гидравлическому контуру – наиболее сложная часть монтажа оборудования. На этом этапе важно доскональное соблюдение инструкций производителя и действующих технических регламентов. Монтажные работы требуют высокой квалификации и опыта мастеров – только при корректном подключении оборудования система кондиционирования будет работать без перебоев, а само оборудование прослужит много лет.
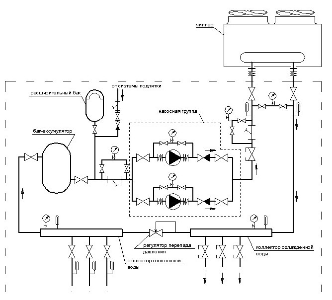
Гидравлические соединения
Перед заполнением гидравлического контура водой, необходимо удостовериться в его пригодности – удалить все возможные загрязнения и посторонние предметы – они могут нарушить работу испарителя. Затем контур необходимо тщательно промыть. При промывке линии поток рекомендуется пустить в обход агрегата.
Затем трубы водяного контура соединяются с разъемами чиллера согласно инструкции производителя. Для заполнения контура необходимо использовать обработанную воду с нормированным уровнем pH.
Основные правила стандартной схемы обвязки гидравлического контура:
В зависимости от марки и модели чиллера монтаж гидравлического контура может иметь свои особенности, которые указаны в сопроводительной документации и должны быть заранее предусмотрены в проекте. Ниже мы приводим традиционную схему обвязки. Даже в случае ее усложнения и добавления дополнительных регулирующих/запорных элементов принципиальный порядок расстановки оборудования останется прежним.

Подключение испарителя
Основная работа чиллера выполняется за счет двух узлов: компрессора и теплообменника – испарителя пластинчатого или кожухотрубного типа. Именно в испарителе холодоноситель (вода или раствор гликоля) получает заданные свойства, поэтому крайне важен корректный подвод всех контуров (продуктового, хладагента, обратного потока) к теплообменнику. Грамотная обвязка испарителя гарантирует номинальную производительность и долговечную работу чиллера.


Электрические соединения
К электрическим системам относятся: реле, коробки, защитные устройства и прочие электрические компоненты, которые принимают участие в работе агрегата и влияют на его функциональность.
Подключение чиллера должно осуществляться в соответствии с электрической схемой, представленной в технической документации агрегата, и соответствовать требованиям ПУЭ, ПТЭ и другим отраслевым стандартам.
Напряжение питания не должно отличаться от номинального более чем на +/- 10 %. В линии питания, идущей к агрегату от распределительного щита, должно быть предусмотрено устройство защиты от перегрузки, подобранное в соответствии с техническими характеристиками конкретной модели чиллера. Ключевые критерии выбора – потребляемая мощность чиллера и максимальный ток. При превышении максимально допустимых значений тока в сети (короткое замыкание) защитное устройство отключает агрегат от сети. В целях защиты оборудования используются преимущественно секционные переключатели или автоматические выключатели (отсекатели).
Сечение питающего кабеля должно соответствовать потребляемой мощности машины в соответствии со схемой подключений в спецификации и проектным значениям. Фазовые, нейтральные и заземляющие провода подсоединяются к соответствующим клеммам согласно инструкции от производителя. Линия питания цепей управления прокладывается отдельно от силовой линии.
Простейшая схема автоматизации чиллера выглядит следующим образом:

После подключения чиллера к гидравлическому контуру и электроснабжению наступает пуско-наладочных испытаний и ввода в эксплуатацию. В рамках подготовки оборудования к запуску необходимо выполнить следующие испытания:
После выполнения всех пуско-наладочных работ в соответствии с СП 73.13330.2012 и пробного запуска системы охлаждения составляется акт и оборудование сдается в эксплуатацию.
Получите коммерческое предложение на email:
Нужна консультация? Звоните:
8(495) 118-27-34
Информация, размещенная на сайте, носит ознакомительный характер и ни при каких условиях не является публичной офертой.
www.air-ventilation.ru
На рынке климатического оборудования особым спросом пользуются чиллеры. Они представляют собой холодильные аппараты, в качестве главной задачи которых выступает поддержание микроклимата. Оборудование является парокомпрессионным и устанавливается в помещениях разного назначения. Воздух в процессе функционирования устройств охлаждается, фильтруется и нагревается.

Приборы можно включить в базовую комплектацию современных систем кондиционирования. Технологии позволяют выпускать два вида чиллеров, в которых работа с конденсатором осуществляется с помощью воды или воздуха. Востребованы эти два метода довольно широко. Но аппараты с воздушным охлаждением являются наиболее популярными, что обусловлено отсутствием потребности в теплоносителе. Для того чтобы осуществить установку подобного агрегата, необходимо ознакомиться с технологией проведения работ.

Монтаж чиллера является довольно сложным видом работ, которые требуют специального подхода и высокой квалификации. От правильной установки будет зависеть эффективность работы системы кондиционирования и длительность срока ее эксплуатации. Рассматривая основные этапы, можно выделить проектирование системы, определение места монтажа, а также расчет нагрузки на конструкции.
Следующим шагом становится подготовка опорной рамы или основания. Инструкция по монтажу чиллера MTA AS299 N, как и устройства любой другой марки, предусматривает проведение такелажных работ и установку самого агрегата. Система подсоединяется к теплоносителю, а также сети электроснабжения.
Заключительным этапом становятся пусконаладочные работы, затем осуществляется ввод в эксплуатацию. При проектировании проводятся расчеты теплопоступлений и расходов теплоносителя. Эти данные позволяют подобрать машину и ее исполнение. После утверждения типа чиллера следует определиться с местом монтажа и правильно его подготовить.
Основные типы конструктивного исполнения – агрегат внутренней установки и моноблочные устройства для наружного монтажа. Внутреннее оборудование может предусматривать наличие водоохлаждаемого или выносного конденсатора. Если предстоит работать с моноблочным чиллером, то для него изготавливается опорная рама, которая должна обладать определенной высотой. Она защищает оборудование от осадков и равномерно распределяет нагрузку на конструкцию. Опора должна быть выполнена с соблюдением всех правил, ведь могут появиться шумы и аномальные вибрации.
Монтаж чиллера, который будет располагаться изнутри, предполагает организацию площадки. Холодильные устройства работают с значительным уровнем звукового давления, поэтому располагать их вблизи офисных и жилых помещений не стоит. Важно подобрать и правильно установить виброопоры, которые снизят уровень вибраций, передаваемый на строительные конструкции.
Одним из самых ответственных этапов является подключение оборудования к теплоносителю и электроснабжению. Для того чтобы обеспечить нормальную работу системы, следует соблюдать рекомендации по установке и понимать, какие узлы должны быть в гидравлической обвязке.

Установка чиллера сопровождается использованием некоторых элементов. По ходу движения теплоносителя следует расположить байпас и фильтр с запорным вентилем. Эта мера позволит не допустить загрязнения теплообменника при промывке системы, в противном случае можно столкнуться с выходом оборудования из строя.
Понадобится ещё и балансировочный вентиль, который будет располагаться на выходе из испарителя. Он требуется для регулировки расхода воды и приведения значений к нормам. На выходе и входе из чиллера будут располагаться запорные вентили. Если система разгерметизируется, то придётся сливать теплоноситель.
Следует позаботиться о наличии автоматических воздухоотводчиков, они должны монтироваться в верхних точках системы. Монтаж абсорбционного чиллера осуществляется в несколько этапов. Одним из них является установка термометров и манометров до и после описываемого оборудования. Это позволит отслеживать температуру и степень загрязнённости теплообменника.
Перед насосом устанавливается фильтр. Он должен быть обращен по направлению движения теплоносителя. Это исключит механические повреждения в области крыльчатки насоса. Аварийный клапан и демпферный расширительный бак должны находиться перед насосом. Это позволит исключить повышение и падение давления на входе в насос.

Инструкция по монтажу чиллера прилагается к оборудованию. Ознакомившись с ней, вы сможете узнать, что разместить устройство можно на уровне земли или на крыше, но в этих случаях следует обеспечить наличие пространства для вентиляции. Агрегат должен располагаться с учетом требований, которые предъявляются к вибрациям и шумам.
Прибор следует защитить от воздействия ультрафиолета, расположив его вдали от дымоходов. Он не должен подвергаться воздействию атмосферного воздуха, который мог бы вызвать коррозию змеевиков конденсатора и медных трубок. Если к чиллеру возможен доступ посторонних лиц, то следует предпринять меры по его ограничению. Для этого используются защитные устройства.
Монтаж чиллера осуществляется на основании, высота которого составляет 300 мм или больше. Важно обеспечить наличие сливных каналов, которые будут удалять воду и справляться с утечками. При расположении агрегата на уровне земли основание необходимо монтировать на бетонный фундамент, который закладывается ниже линии промерзания грунта. Основание не должно контактировать с фундаментом здания, чтобы исключить вибрации и шумы.
При установке оснований необходимо обеспечить наличие отверстий, которые позволят осуществить крепление к фундаменту. При монтаже на крыше последняя должна выдерживать вес чиллера и обслуживающего персонала. Устройство может опираться на основание или стальную раму.
Стальной швеллер должен располагаться в соответствии с монтажными отверстиями амортизатора. Швеллер должен иметь ширину, которой будет достаточно для монтажа амортизатора. Когда осуществляется монтаж чиллера, важно исключить препятствия для подключения водяных труб и проводов. На входе воды должны отсутствовать источники нагрева, пар, вредные газы и шум. Исходящий от оборудования горячий и холодный воздух не должны влиять на окружающую среду.

При монтажных работах следует учитывать технологические особенности и требования. Например, объем для установки не должен ограничиваться габаритами машины, он должен включать дополнительные параметры, среди них пространство:
Что касается первой рекомендации, то она верна для чиллеров с воздушным охлаждением, для работы которых требуется забор и вывод воздуха. Существуют еще и нормы техники безопасности, они диктуют правила, при которых следует учитывать пространство для технического обслуживания и обеспечения доступа.
Каким бы качественным ни было оборудование, следует учитывать ту вероятность, при которой устройство может выйти из строя. В связи с этим следует оставить пространство для замены деталей и проведения ремонта, оно может потребоваться для компрессоров и кожухотрубных теплообменников.

Монтаж чиллеров и фанкойлов позволяет добиться слаженной работы системы. Работы предусматривают использование трубопроводов с теплоизоляцией. Если утепление будет отсутствовать, то коэффициент полезного действия системы значительно упадёт. Фанкойлы обладают индивидуальными узлами обвязки, с помощью которых можно отрегулировать производительность в отношении выработки тепла и холода.
Расход хладагента регулируется специальной арматурой. При необходимости разделения теплоносителя и холодного агента воду следует подогревать в отдельном теплообменнике. Схема при этом дополняется циркуляционным насосом. Для плавной регулировки потока жидкости при монтаже схемы обвязки следует использовать трёхходовой клапан.
Если в здании двухтрубная система, то нагрев и охлаждение будут происходить за счёт чиллера. Для того чтобы сделать работу отопления более эффективной, фанкойлы подключаются в холодный период и дополняются котлами. Если проводить сравнение двухтрубной системы с теплообменником с четырехтрубной, то в последнюю заложены два упомянутых узла. Фанкойл при этом работает на нагрев и охлаждение, используя в первом случае жидкость, которая циркулирует в системе теплообменника.
Если в здании вы решили установить чиллер и фанкойл, монтаж системы охлаждения в Москве можно осуществить. Стоимость проведения подобных работ будет упомянута ниже. К слову о вышесказанном можно отметить, что один из теплообменников при монтаже подключается к трубопроводу с хладагентом, тогда как второй присоединяется к трубе с теплоносителем. На теплообменнике должен быть индивидуальный клапан, который управляется пультом. Если будет использована подобная схема, то хладагент не перемещается с теплоносителем.

Монтаж чиллеров в Калининграде можно осуществить с помощью специалистов. Цены по России везде примерно одинаковые. Конечная стоимость будет зависеть от мощности оборудования. Если она не превышает 100 кВт, то заплатить придется 16000 руб. С увеличением упомянутого параметра до 250 кВт цена увеличивается на 50 руб. за каждый киловатт. Приобретая фанкойл, мощность которого не превышает 6 кВт, за его установку вы заплатите 2900 руб.
fb.ru
Наша компания специализируется на комплексном предложении водоохлаждающего оборудования: Проектирование, подбор, расчет поставка и монтаж чиллеров. Все этапы работ производится при помощи высококвалифицированных специалистов.
Монтаж чиллера, функцией которого является охлаждение или подогрев теплоносителя с его последующей подачей в теплообменники через трубопроводы, необходим там, где производственному процессу не обойтись без этой функции. Современные модели чиллеров имеют очень большой диапазон рабочих мощностей, начинающихся с единиц, заканчивающихся тысячами киловатт.
Стоимость монтажа чиллера уточняйте по телефонам, указанным на сайте.
В наше время, выбирая охладитель воды, предназначенный для производства, можно столкнуться с тем, что огромный ассортимент моделей затрудняет выбор действительно подходящего по всем параметрам оборудования. Поэтому, естественно, лучшим вариантом будет доверить подбор и монтаж чиллеров специалистам. Безусловно, при отсутствии такой возможности по каким-либо причинам и необходимости выбирать агрегат самостоятельно, стоит придерживаться некоторых рекомендаций:
- длительная частая смена температурного режима обычно способствует неполной загрузке чиллера в этот промежуток времени – в этом случае не стоит подбирать и осуществлять монтаж чиллера в единичном экземпляре, применение двух установок или машин с несколькими контурами будет целесообразнее. В этом случае в работу они будут включаться по мере необходимости.

- установка чиллера «с запасом» тоже не очень хороший вариант, это спровоцирует частое включение и отключение компрессора вследствие малой загруженности, а высокие токи, возникающие при замыкании цепи, могут повредить электрические и механические части компрессора.
Монтаж чиллера – мероприятие довольно трудное и ответственное, поскольку необходимо соблюсти инструкции фирмы-производителя, наладить вспомогательные системы, корректная работа которых влияет на производительность и сохранность холодильного агрегата.
Перед началом монтажа системы охлаждения следует ознакомиться с Руководством по монтажу, эксплуатации и техническому обслуживанию. Монтаж чиллера под ключ и коммуникационных сетей (обвязка чиллера) должен выполнять квалифицированный персонал с соблюдением правил техники безопасности. При монтаже чиллера должна быть внимательно изучена вся схема системы охлаждения. Необходимо убедиться в способности опорной площадки выдержать вес блока. Если такая площадка отсутствует, следует предварительно соорудить фундамент. При размещении агрегатов в технических помещениях и их монтаже на крыше главное не допустить передачу вибрации на строительные конструкции. Это относится к работающим агрегатам: чиллеру, гидромодулю. В помещении агрегаты желательно располагать на фундаменте, подымающемся над уровнем пола. Такой фундамент позволит:
Вокруг чиллера необходимо предусмотреть свободное пространство для доступа воздуха к конденсаторам и для проведения сервисных работ и техобслуживания. При выносном конденсаторе необходимо предусмотреть возможность работы как минимум двух специалистов для его технического обслуживания. Тщательно продумайте размещение агрегата, выберите для него такое место, которое соответствовало бы требованиям окружения (уровень шума, размещение машинного помещения по отношению к другим помещениям). Препятствия на пути воздушного потока, наличие источников теплового излучения, недостаточный воздухообмен в зоне установки, листва и другие предметы, которые могут забивать теплообменники, недоучет при расположении блока преобладающего направления ветра могут вызывать нарушения в работе и остановку оборудования. При размещении чиллера следует обратить внимание:
Для нормальной работы всех элементов схемы системы охлаждения и удобного доступа к нему при выполнении технического обслуживания требуется соблюдение минимального расстояния от блока до строительных конструкций: потолка, стен помещения, где устанавливают чиллер, обычно указываемое для конкретного типа чиллера в Руководстве по монтажу.
После размещения чиллера (основного блока), в случае с выносным конденсатором необходимо выполнить монтаж выносного конденсатора чиллера и фреонового трубопровода к нему, т.е. выполнить обвязку чиллера с конденсатором.
Обвязка чиллера и конденсатора
Есть несколько схем обвязки чиллера с конденсатором. Какую схему выбрать - зависит от многих параметров, в числе которых: Длинна фреонового трубопровода между чиллером и выносным конденсатором, температурный диапазон при котором будет эксплуатироваться чиллер, перепад по высоте между компрессорным блоком чиллера и конденсатором и.т.д.
Обвязка чиллера и потребителей
Наши специалисты выполняют осмотр производственных площадей, расстановку потребителей и их удалённость от чиллера, место установки чиллера. По результатам осмотра оборудования, мы проектируем схему гидравлической обвязки чиллера, согласовываем её с заказчиком, в результате чего обвязка чиллера выполняется нашей монтажной бригадой по схеме проекта.
Электрические подключения следует выполнить согласно электрической схеме, прилагаемой к агрегату, в соответствии с проектом, правилами устройства и технической эксплуатации электроустановки (ПУЭ и ПТЭ) и действующими нормами. Следует убедиться в соответствии параметров электрической сети электрическим характеристикам чиллера на фирменной табличке, прикрепленной на щите управления. Сечения силовых кабелей, заземляющего кабеля и кабелей управления должны точно соответствовать проектным данным. В начале линии электропитания следует предусмотреть защитные устройства, соответствующее потребляемой мощности чиллера и максимальному току. Защитные устройства обеспечивает отключение чиллера при превышении тока в электрической сети (короткое замыкание) сверх максимального значения. Может использоваться секционный переключатель или автоматический выключатель. Следует подсоединить фазовые провода, нейтральный провод к соответствующим клеммам на блоке и заземляющий провод к клемме заземления на блоке согласно Руководству по монтажу. Первостепенное значение имеет правильное подсоединение по фазе, при неправильном подсоединении чиллер не будет работать, возможно повреждение винтового и спирального компрессора. Чиллеры с винтовыми и спиральными компрессорами обязательно должны оснащаться фазовым монитором, с помощью которого контролируется:

piterholod.ru
Рассматривая вопрос охлаждения или обогрева собственного частного дома, имеет смысл узнать, что такое чиллер.
Эта альтернатива системам кондиционирования практически не используется для отдельных небольших комнат, но для просторного коттеджа может оказаться очень выгодным решением.
Содержание статьи:
Чиллерами называют разновидность холодильных машин, которые используются для охлаждения разнообразных жидкостей. Чаще всего эти агрегаты применяются в промышленности, но подходят они и для кондиционирования воздуха в крупных жилых зданиях, торговых комплексах, офисах и т.п. В сочетании с вентиляторными доводчиками — фанкойлами — чиллеры прекрасно исполняют роль центрального кондиционера.
Если в традиционных кондиционерах фреон охлаждает непосредственно воздух, то с чиллерами все несколько иначе. Здесь тепловую энергию перемещают с помощью обычной воды. Чтобы предотвратить ее замерзание, может использоваться смесь с антифризом, например, с тосолом. Чиллер работает благодаря испарителю, компрессору и конденсатору, которые входят в его состав.
Через испаритель проходят потоки воды и хладагента. Последний поглощает тепловую энергию воды и закипает. Хладагент превращается в газ, а вода охлаждается. После этого парообразный хладагент поступает в компрессор, где под воздействием сил сжатия разогревается и смешивается с маслом.

Чиллер состоит из компрессора, конденсатора и испарителя. Перемещаясь межу этими устройствами, хладагент отбирает тепловую энергию воды и охлаждает ее (+)
Затем этот состав перемещается в конденсатор, здесь он отдает значительную часть тепловой энергии и превращается в жидкость. После этого хладагент поступает в фильтр-осушитель, чтобы освободиться от избыточной влаги. Давление жидкого хладагента понижается при перемещении через терморасширительный вентиль. Здесь он снова переходит в парообразное состояние и подается в испаритель для повторения цикла.
Таким образом, компрессор предназначен для сжатия и перемещения хладагента, который последовательно перемещается через воздушный конденсатор и испаритель, то нагреваясь и одновременно охлаждая воду, то остывая. Конденсатор в этой системе исполняет роль теплообменника, с помощью которого тепловая энергия, поглощенная хладагентом, передается окружающей среде.

Современные модели чиллеров снабжены панелью управления с жидкокристаллическим экраном, на котором отражается текущее состояние устройства и сообщения о вероятных поломках
Избыточное давление на контуре хладагента может привести к повреждению системы. Для контроля этого показателя используют реле высокого давления, а также манометр, позволяющий визуально следить за состоянием системы. Для хранения хладагента предназначен жидкостный ресивер.
Фильтр-осушитель удаляет из хладагента не только водяные пары, но и посторонние загрязнения. Для управления потоком хладагента предназначен соленоидный вентиль, который автоматически перекрывает систему при прекращении работы компрессора. Это защищает систему от попадания в испаритель хладагента в жидком состоянии. Как только компрессор включается, вентиль открывается.
В системе имеется смотровое стекло, которое позволяет визуально контролировать состояние хладагента. Если в потоке жидкости просматриваются пузырьки воздуха, значит, необходимо увеличить количество фреона. Для контроля за влажностью хладагента предназначены датчики с цветовой индикацией. А регулирование количества хладагента, поступающего в испаритель, осуществляется с помощью терморегулирующего вентиля.
Для повышения пропускной способности системы иногда рекомендуется использовать горячий перепускной клапан газа. Этот элемент не всегда входит в комплект поставки. Чтобы количество воды в системе оставалось достаточным для ее работы, в промышленных моделях чиллеров устанавливают систему автоматического долива воды. Циркуляцию воды внутри контура обеспечивает насос охлаждающей жидкости.

Моноблочные модели чиллеров уже подготовлены к монтажу, поэтому их установить проще и удобнее, чем агрегат с выносным конденсатором
Упомянутые ранее фанкойлы представляют собой устройства, с помощью которых охлажденный воздух поступает в отдельные помещения. Устанавливают вентиляторные доводчики внутри помещения. Они монтируются на стену, потолок и даже на пол. К одному чиллеру можно присоединить несколько фанкойлов.
Конкретное их количество определяется количеством помещений, нуждающихся в кондиционировании. Но при этом производительность чиллера должна обеспечивать определенное количество фанкойлов. Для соединения чиллера и фанкойлов в общую систему используют обычные водопроводные трубы. Это выгодно отличает их от традиционных сплит-систем, для которых подходят только дорогостоящие медные коммуникации.

Чиллеры с выносным конденсатором не так производительны, как моноблочные модели, но они позволяют использовать меньше места для монтажа устройства внутри дома
Важная часть такого устройства — насос, обеспечивающий циркуляцию хладагента. Чем выше производительность этого насоса, тем большее расстояние может разделять чилер и фанкойлы. Это удобно, поскольку увеличивает количество вариантов при выборе подходящего места для чиллера. Нередко агрегат ставят на крыше здания, на при желании его можно поместить в специальном подсобном помещении.
Это позволяет полностью сохранить внешний вид существующего фасада здания. Сплит-системы практически никогда не предоставляют такой возможности. Чиллеры классифицируют в зависимости от различных признаков:
Чиллеры, имеющие в конструкции тепловой насос, подходят не только для кондиционирования воздуха в помещении, но и для его обогрева. Они рассчитаны на использование в течение всего года.
Для нужд большого коттеджа специалисты рекомендуют использовать чиллер с водяным охлаждением конденсатора. Такие устройства имеют более простую конструкцию, чем аналоги с воздушным охлаждением, соответственно, и стоят они дешевле. Конструкция чиллера с воздушным охлаждением включает вентилятор (осевой или центробежный) для забора воздуха из помещения, в котором установлено устройство.

Некоторые модели чиллеров можно использовать не только для кондиционирования воздуха, но и для обогрева жилых помещений в зимний период
Для охлаждения конденсатора с помощью воды можно использовать местные водные ресурсы: реки, озера, атезиансткие скважины и т.п. Если по каким-то причинам доступа к таким источникам не имеется, применяется альтернативный вариант: охладитель из этилена или пропиленгликоля. Охладители этого типа идеальны для применения в холодное время года, когда обычная вода просто замерзает.
Выбор между чиллером в виде моноблока, когда и компрессор, и испаритель, и конденсатор заключены в общий корпус и вариантом, когда конденсатор устанавливают отдельно, не так однозначен. Моноблок проще в монтаже, кроме того, производительность агрегатов этого типа может быть довольно высокой.

Выбирая подходящую модель чиллера, следует оценить его производительность и соотнести ее с количеством фанкойлов, которые будет обслуживать устройство
Выносные системы монтируют в разных местах: собственно чиллер — в подсобном помещении внутри здания (можно даже в подвале), а конденсатор — снаружи. Для соединения этих двух блоков обычно используют трубы, по которым циркулирует фреон. Этим объясняется повышенная сложность монтажа системы, а также дополнительные материальные затраты на установку.
Но для установки чиллера с выносным конденсатором используется меньше места внутри помещения, а такая экономия может оказаться необходимой. Выбирая подходящее устройство, следует учесть также дополнительные функции, которыми оснащен прибор. Среди популярных и полезных дополнений можно отметить:
Наконец, обязательно следует оценить холодопроизводительность чиллера, т.е. его способность отбирать тепловую энергию из рабочей жидкости. Конкретные количественные показатели обычно указаны в техническом паспорте изделия. Холодопроизводительность каждой конкретной системы чиллер-фанкойл рассчитывается отдельно.
При этом учитываются максимальные и минимальные температурные показатели, мощность чиллера, производительность насоса, протяженность труб и т.д. Это только общие рекомендации по выбору чиллеров. В каждом конкретном случае следует проконсультироваться с опытным специалистом, который сможет учесть различные нюансы и поможет сделать верный выбор.
Сэкономить на установке чиллера сможет только опытный специалист. Всем прочим владельцам этого устройства придется оплатить услуги профессиональных монтажников, поскольку в этом вопросе любая ошибка может стать фатальной. Начинают установку с тщательного изучения всей технической документации и рекомендаций производителя.

Чиллер состоит из множества конструктивных элементов. Промышленную модель лучше всего устанавливать и запускать с помощью опытных профессионалов (+)
После этого приступают непосредственно к установке. Для чиллера следует выбрать опорную площадку, способную выдержать вес этого устройства. На площадке монтируют раму, положение которой тщательно выверяют с помощью уровня. Если нет площадки с необходимыми характеристиками, следует забетонировать подходящий для монтажа участок, и установить на нем раму.
При этом следует учитывать вибрационное воздействие, которое возникает при работе чиллера. Площадка и рама должны быть установлены таким образом, чтобы вибрация не передавалась прочим конструкциям здания. Воздействие могут также оказывать и другие элементы системы: трубы, воздуховоды, гидромодуль и т.п.

Установку чиллера выполняют на специальную раму, при этом необходимо провести мероприятия по защите окружающих устройство объектов от вибрационного воздействия
Если установка чиллера запланирована в подсобном помещении внутри здания, для нее необходимо соорудить фундамент, который будет возвышаться над уровнем пола. Это позволит уменьшить общую инерционность системы, снизить вибрационное воздействие, улучшить распределение массы агрегата.
Собственно чиллер монтируют на специальные пружинные или резиновые опоры с целью погасить вибрационное воздействие. Под эти опоры кладут еще один слой резины, затем закрепляют конструкцию с помощью анкерных болтов. Определяясь с местом для установки чиллера, следует помнить, что вокруг агрегата должно оставаться свободное пространство.

Для монтажа чиллера на улице или на крыше здания используют специальный кожух, чтобы защитить устройство от непогоды
Оно обеспечит доступ к механизмам для выполнения технического обслуживания. Кроме того, вокруг устройства должен свободно циркулировать воздух, чтобы улучшить охлаждение конденсаторов. Если чиллер установлен снаружи здания, его необходимо защитить от загрязнений, например, опавшей листвой.
Если мусор проникнет в теплообменник, это приведет к некорректной работе системы и серьезным поломкам оборудования. Недопустимо чтобы корпуса чиллера касались посторонние предметы или коммуникации, поскольку им может передаться вибрационное воздействие. Еще один важный момент при монтаже чиллера снаружи — направление ветра.
При установке внутри помещения следует учитывать шумовое воздействие, возникающее во время работы агрегата. Имеет смысл позаботиться о дополнительной шумоизоляции и продумать, как избыточный шум скажется на соседних помещениях. Не рекомендуется ставить чиллер по соседству с жилыми комнатами.
Если рядом с чиллером планируется установить еще какие-то агрегаты, нужно позаботиться, чтобы механизм не подвергался избыточному тепловому воздействию, а также чтобы не было препятствий свободному перемещению потоков воздуха. При наружном монтаже чиллера используют специальный кожух, который защищает устройство от воздействия погодных факторов.
Внутри кожуха ставят испаритель, для монтажа компрессоров предусмотрено место сбоку, а конденсатор устанавливают сверху. Подобным же образом агрегат устанавливают на крыше здания. При внутренней установке, кожух, разумеется, не нужен, но если в этом случае используется модель с выносным конденсатором, то часть монтажных работ выполняют снаружи.

Для монтажа чиллера на крыше здания может понадобиться специальная строительная техника, поскольку устройство имеет большой физический вес
При изучении технической документации следует обратить внимание на порядок монтажа рамы под чиллер. Для некоторых моделей с высокой производительностью используют специальные виброопоры, которые не нужно дополнительно крепить анкерными болтами. Для отдельных агрегатов не требуется заливать отдельный фундамент, достаточно правильно установить раму и закрепить устройство болтами.
Для присоединения труб к патрубкам чиллера обычно используют муфты, поскольку диаметр этих коммуникаций невелик. Подключение чиллера к трубопроводам осуществляется только после того, как агрегат установлен на фундамент и виброопоры. Не стоит выполнять этот этап заранее, чтобы не повредить коммуникации.
Ролик с презентацией промышленной модели чиллера ЧА-14 можно посмотреть здесь:
Промышленный чиллер — устройство достаточно сложное, но при правильном монтаже и обслуживании оно может безупречно прослужить многие годы. Чтобы не ошибиться в процессе установки оборудования, лучше обратиться к профессиональному мастеру.
sovet-ingenera.com
Проверьте целостность упаковочной пленки на предмет прорывов и вскрытия. Оцените качество транспортировки, угол при перемещении чиллера (водоохлаждающей установки) не должен быть более 15 градусов.
Чиллер (водоохлаждающую установку) следует устанавливать в помещении с хорошей вентиляцией — для лучшего отвода тепла от конденсатора, непыльное — во избежание загрязнения конденсатора и других составляющих. При выносном конденсаторе место должно быть выбрано близко к внешнему блоку, чтобы как можно более сократить необходимую длину трассы трубопроводов. Важно установить чиллер на монолитный жестко фиксированный фундамент — это снизит вибрацию и будет препятствовать распространению сильного шума. Следует устанавливать чиллер таким образом, чтобы при его обслуживании и ремонте, был свободный доступ ко всем его частям, в целях сервисного обслуживания и для замены самых габаритных его комплектующих. При блочном исполнении чиллера, расстояние от конденсатора до потолка не должно быть менее двух метров, а при выносном конденсаторе — не менее метра до защитного козырька и не менее метра до стены, на которую закрепляются кронштейны. Следует не устанавливать чиллер на открытой местности, где в силу особенностей климата на данной территории могут возникать снеговые заносы.
При подсоединении водяных трубопроводов, необходимо поставить на вход в чиллер фильтр, и после нескольких циклов оборота воды, прочистить его. Если же вода постоянно загрязняется, то необходимо установить постоянный водяной фильтр, который периодически необходимо прочищать, по мере его загрязнения — во избежание засорения пластинчатого теплообменника. На входы и выход чиллера рекомендуется установить вибровставки - для снижения риска повреждения пластиковых труб, возникающих по причине длительной вибрации. Медленно открывайте байпасный клапан для постепенной опресовки водяной трассы, ведущей к потребителю. Трубы ведущие от чиллера к потребителю с ледяной водой должны быть обязательно изолированы, во избежание повышения градуса в трассе, а также для предотвращения выпадения конденсата на поверхности труб. А если температура падает ниже нуля, например, трасса проложена через улицу, то в зимний период теплоизоляция при остановке машины не даст воде замерзнуть. Но в таких случаях рекомендуется использовать пропиленгликоль или этиленгликоль — чистый или разбавленный, в пропорции для поддержания необходимой температуры потребителя или для нормальной работы с учетом неблагоприятного воздействия окружающей среды на водяные трубопроводы водоохлаждающей установки. На входе и выходе должна быть установлена запорная арматура. Трасса трубопровода должна быть надежно зафиксирована хомутами и кронштейнами. В крайних верхних точках водяного контура должны быть предусмотрены воздухоспускные вентили. Растворы солей использовать крайне не рекомендуется, во избежание коррозии.
Вначале, прежде любой работы и запуска установки, чиллер (!) должен быть заземлен. Минимально допустимое сечение не изолированного заземления не менее 4 мм. Кабель питания чиллера, следует выбирать таким образом, чтобы сечение жил превышало необходимое по номиналу главного автомата минимум на 30% — это не позволит проводам оплавиться при нештатных ситуациях, например, при повышенной нагрузке или заклинивании компрессора и автомата, когда токи могут вырастать в несколько раз, такая предосторожность даст какое-то время на решение проблемы, не создавая аварийную обстановку. Кабель питания, при внешнем блоке конденсатора, должен приходить в щит только через сальниковые отверстия в нижней части щита управления - во избежание попадания влаги в щит управления чиллером. Провода управления автоматикой, при выносном щите управления (в особенности световыми индикаторами) должны пролегать отдельно от силовых проводов, для недопущения "наводок" — произвольного свечения ламп аварий и сигнализаций. Подключение осуществляется согласно эклектической схеме, приложенной к чиллеру. Проверить соответствие фаз – фазировку, отображаемую на мониторе напряжения, при необходимости поменять местами фазы в чиллере или основном автомате питания водоохлаждающей установки.
Масло во фреоновой машине обеспечивает смазку трущихся деталей компрессора. Фреоно-масляная смесь уходит из компрессора в процессе работы установки и циркулирует по системе вместе с фреоном. В случае, если масло не вернется в компрессор, то его трущиеся части не будут смазываться должным образом, что повлечет за собой сбой в работе чиллера или полный выход из строя водоохлаждающей установки. Масло почти не ограниченно растворяется в жидком фреоне, а в парообразном — нет. По трубопроводам холодильной установки происходит такая циркуляция фреона и масла: сразу после сжатия в компрессоре движется перегретый пар и масляный туман, после процесса испарения получается перегретый фреоновый пар и масляная пленочка, а так же масло в капельном виде. После конденсации получатся жидкий фреон и в нем растворено масло, поэтому необходимо обеспечить возврат масла в компрессор по завершении полного цикла чиллера, для обеспечения безаварийной работы холодильной машины. Для этого трубопроводы прокладываются таким образом, чтобы возвратные трубы от конденсатора были бы наклонены в сторону чиллера, в котором располагается компрессор как и на линии нагнетания, при этом уклон должен быть равен от 1% до 3%. Также рекомендовано ставить маслоподъемные петли на каждых 6 метрах подъема трубопровода в сторону конденсатора на линии нагнетания. Для предотвращения перетекания жидкого фреона в компрессор — при остановке чиллера, на входе в конденсатор необходимо установить обратный клапан.
При соблюдении вышеперечисленных рекомендаций водоохладитель гарантированно должен работать и выполнять свои заданные функции с максимально возможной эффективностью и с минимальным риском поломки монтируемого чиллера.
cp-h.ru
Монтаж чиллера – необходимость в этой услуге возникает на различных торговых, фармакологических, химических предприятиях, для охлаждения воздуха и жидкостей, для этого на них устанавливаются специальные холодильные машины – чиллеры. Они могут иметь различные размеры, использовать разные хладагенты, отличаться конструктивно.
Вместе с чиллерами устанавливаются специальные теплообменники, фанкойлы. В них подается охлажденная вода, охлаждая и кондиционируя воздух. Эти системы могут иметь достаточно большие размеры и вес и часто устанавливаются на крышах зданий, что затрудняет перевозку и монтаж чиллеров и фанкойлов.
Сборка и наладка любого оборудования требует знания его конструкции и особенностей эксплуатации холодильных машин, опыта проведения подобных работ. Так как работы по установке чиллера связаны с электричеством и строительством, могут проходить на высоте, работники, их выполняющие, должны иметь соответствующие допуски и квалификационные сертификаты.
Начинать монтаж чиллера следует с анализа площадки, предназначенной для монтажа, и ее укрепления. Должны быть выполнены расчеты основания на прочность при вибрации, создаваемой при работе агрегата. Важно, чтобы вызванные агрегатом вибрации демпфировались и не передавались на несущие конструкции здания.
Смета на монтаж чиллера должна включать:
Фундамент может располагаться в помещении или на крыше здания. Стоимость монтажа чиллера на большой высоте значительно выше, так как требует особой подготовка. На основание укладывается слой резины, устанавливаются и крепятся болтами пружинные опоры. При выборе места монтажа выверяются расстояния от блоков холодильной машины до строительных конструкций и других элементов охладительной системы. Ко всем агрегатам должен быть обеспечен подход для обслуживания.
Далее, производится монтаж фанкойлов, насосов, под которые предварительно тоже должен быть изготовлен фундамент. Цена на монтаж чиллера включает установку всех компонентов системы, подключение чиллера, проверку, наладку и пуск в эксплуатацию.
Благодаря высокой квалификации сотрудников Компании «Синтез ТНК» работы по монтажу холодильного оборудования могут производиться комплексно, время на пуск чиллера получается минимальным, а цены на услуги наиболее оптимизированными.
Перевозка чиллера производится продавцом в упакованном виде. К этому моменту агрегат полностью прошел подготовительные работы, заправлен хладагентом, все испытания проведены. Для перевозки на небольшие расстояния используется автомобильный транспорт. При необходимости дальней доставки привлекается морской или железнодорожный транспорт. В этом случае необходимо организовать разгрузку и погрузку в месте перевалки, обеспечить присутствие нужных грузоподъемных машин, своевременно подать автомобиль, чтобы избежать простоев.
Логистическая схема должна быть точно составлена и просчитана. При заказе транспорта нужно учитывать, что перевозка чиллера должна производиться в определенном производителем положении. Для фиксации при транспортировке используются крепежные кронштейны на корпусе. Если для перевозки используется рама, на ней устанавливаются индикаторы, сигнализирующие о наклонах и ударах при движении и перегрузке.
Такелаж чиллера производится с использованием такелажных точек и кронштейнов для крепления строп нужной грузоподъемности. Инструкция по креплению и перемещению оборудования выдается производителем. Агрегат при перевозке и такелажных работах нельзя наклонять и встряхивать. Погрузочные работы для чиллеров требуют особой осторожности и математической точности и выверенности выполнения всех операций. Это возможно только при грамотных действиях всей команды: логистов, менеджеров, такелажников, работающих в Компании «Синтез ТМК».
Сложности может вызвать подъем и перемещение оборудования на крышу высотного дома. Для операций с десяти тонным агрегатом понадобится кран грузоподъемностью более 100 т. Может возникнуть необходимость не только поднять чиллер на нужную высоту, но и переместить и установить его на выбранное место, предварительно защитив теплообменники от деформации.
Не допускается снятие упаковки и транспортировочных салазок до момента установки чиллера на основание. При монтаже в помещении перемещение агрегата осуществляется при помощи погрузчика или подъемника. Перед установкой требуется провести контрольную приемку доставленных агрегатов, проверку целостности корпуса, отсутствия протеканий жидкостей.
Все работы по подключению и пусконаладке чиллера должны производиться строго в порядке, указанном в инструкции производителя. Все параметры системы должны соответствовать паспортным данным.
При подключении чиллера выполняется разводка трубопроводов между частями системы. Для гидравлических соединений используются гибкие шланги, под хладагент – медные трубки. На трубопроводах устанавливается запорная арматура, измерительные приборы. Крепятся и подключаются воздуховоды.
Система управления устанавливается в электрический шкаф, дистанционный модуль выносится в специальное помещение. Проверяется правильность подключения фаз чиллера и внешних устройств.
Наладку и контроль работы холодильной системы проводят специалисты, имеющие высокую квалификацию. Сначала визуально проверяется наличие и правильность подключения всех компонентов, осматриваются трубопроводы и регулирующие устройства. Производится наладка чиллера и всех агрегатов, измерение и регулировка параметров, проверка температуры нагревания и охлаждения воздуха в теплообменниках. По результатам пробного пуска системы заполняется журнал.
Слаженные действия специалистов Компании «Синтез ТМК» обеспечат полный комплекс работ по установке и вводу в эксплуатацию чиллера. Может оказываться помощь в обслуживании и при возникновении проблем в период эксплуатации.
sinteztmk.ru
В наше время во многих сферах жизнедеятельности человека применяется холодильное оборудование под названием чиллер. Что это такое? Ответы на этот и многие другие вопросы находятся в статье.

Это специальное оборудование, которое применяется для охлаждения жидких веществ. Важная особенность чиллера – холодопроизводительность, то есть способность забирать тепло, которое выделяет охлаждаемая среда. Поэтому, перед тем как использовать подобную машину, нужно провести тщательные расчеты притоков тепла в помещении в разных условиях.
Чиллеры используются во многих сферах экономики: в машиностроении, металлообрабатывающих отраслях, пищевой промышленности, медицине и т. д. Также холодильная машина широко применяется в современных системах кондиционирования. Кондиционеры, сделанные на основе чиллера, позволяют проводить централизованное кондиционирование большого количества помещений.
Способность поддерживать значение температуры, необходимой для бесперебойной работы оборудования, сделала незаменимым для многих отраслей промышленности такое оборудование, как чиллер. Что это такое и в чем его ценность? Ответы на эти вопросы кроются в применении.
В большинстве чиллер используют для кондиционирования воздуха. Но существуют и другие сферы, в которых применяют чиллер:

Главная задача машины – сжимать пары хладагента, тем самым повышая давление, чтобы началась конденсация. На этом принципе основана схема чиллера. Так, под влиянием давления начинает испаряться жидкость. Затем парожидкая смесь попадает в конденсатор, который отдает тепло во внешнюю среду. При этом хладагент переходит полностью в жидкое состояние и попадает на расширительное устройство – дроссель, который находится перед испарителем. Хладагент под влиянием низкого давления начинает вскипать и, пройдя через испаритель, переходит в газообразное состояние. В этот момент он поглощает тепловую энергию из теплоносителя, снижая его температуру.
Так работает любой чиллер. Охлаждение происходит по одной схеме независимо от модели и типа холодильной машины.
Классификация чиллеров
Сейчас производители выпускают большой ассортимент холодильных машин с разными мощностями – от 5 до 9000 кВт. Такие мощные агрегаты позволяют кондиционировать как небольшие помещения, так и многоэтажные здания.
Все существующие чиллеры классифицируют по таким признакам:
1. По типу охлаждения конденсатора:
2. По наличию функции обогрева:
3. По типу конструкции:
4. По типу вентилятора:

Кроме традиционных охладительных машин существует абсорбционный чиллер. Что это такое, можно понять по названию. В таком чиллере вместо фреона применяется вода и абсорбент. Цикл абсорбционного охлаждения похож на фреоновый, поскольку тепло поглощается хладагентом и переходит из парообразного состояния в жидкость. Но процесс абсорбционного чиллера на этом не закончен. Под действием внешнего источника тепла (горячая вода, газовая горелка и т. д.) из разбавленного абсорбента бромида лития выделяются пары воды, которые попадают в конденсатор. Здесь пары конденсируются в жидкость, которая поступает в испаритель. В этом месте она испаряется, а пары поглощает абсорбент – концентрированный раствор бромида лития. Далее раствор опять нагревается, и цикл охлаждения повторяется вновь.

Наиболее распространенной на сегодняшний день является система чиллер-фанкойл. В этом случае чиллер работает с внутренними доводчиками, которые называются фанкойлами. Их количество может быть разным, но в некоторых моделях чиллеров количество фанкойлов ограничивается.
Фанкойл являет собой аналог внутреннего блока сплит-системы, но работает он на воде. Он соединяется с чиллером системой трубопроводов.
Фанкойлы бывают потолочными, настенными, напольными, кассетными и канатными. Также выпускаются бескорпусные доводчики, которые можно спрятать за подвесным потолком или скрыть в декоративной коробке.
Важным преимуществом системы чиллер-фанкойл является неограниченность длины коммуникаций. К плюсам также можно отнести низкую стоимость разводки, так как для циркуляции хладагента допустимо применять обычные водяные трубы.

Системы кондиционирования, в которых используется чиллер, имеют ряд преимуществ:
При выборе чиллера следует обратить внимание на следующие параметры:

На сегодняшний день одним из крупнейших европейских производителей систем кондиционирования считается компания RHOSS. Чиллер этой марки отличается высоким уровнем надежности и длительным сроком службы. Производимое оборудование постоянно тестируется и проходит технический контроль, результаты которого подтверждает соответствие продукции высоким стандартам качества.
Продукция компании RHOSS имеет высокие эксплуатационные характеристики. Выпускаемое оборудование кроме обязательной сертификации проходит проверку EUROVEN. Это позволяет утверждать высокое качество и работоспособность кондиционирующих машин RHOSS. Чиллер этого производителя проходит строгие тесты при разных температурах воздуха и воды. Поэтому при выборе кондиционирующих систем лучше отдать предпочтение качественному и проверенному товару, чем более дешевому, но с худшими характеристиками.

Стоимость чиллера тесно связана с комплектацией. Также существенным образом влияет на цену марка производителя. Стоимость мини-чиллера с воздушным охлаждением колеблется в пределах 220–450 тыс. рублей. Цена на большую промышленную охладительную машину может составлять более 10 млн рублей.
Если нужно выбрать мощный и качественный чиллер, цена – не единственный параметр, на который следует обращать внимание. Очень важно подобрать модель, которая будет максимально соответствовать требованиям.
Многие фирмы предлагают своим клиентам профессиональный подбор системы кондиционирования, ее монтаж и обслуживание. Во-первых, это очень удобно покупателю, поскольку не надо искать другие подрядные организации. А во-вторых, чиллер обойдется намного дешевле.
fb.ru
ReadMeHouse
Энциклопедия строительства и ремонта